EasyManua.ls Logo

ZEKS Eclipse 500ZPB - Page 56

ZEKS Eclipse 500ZPB
73 pages
Print Icon
To Next Page IconTo Next Page
To Next Page IconTo Next Page
To Previous Page IconTo Previous Page
To Previous Page IconTo Previous Page
Loading...
ZEKS Eclipse
TM
90-5,000ZPB Desiccant Dryers
www.zeks.com
54
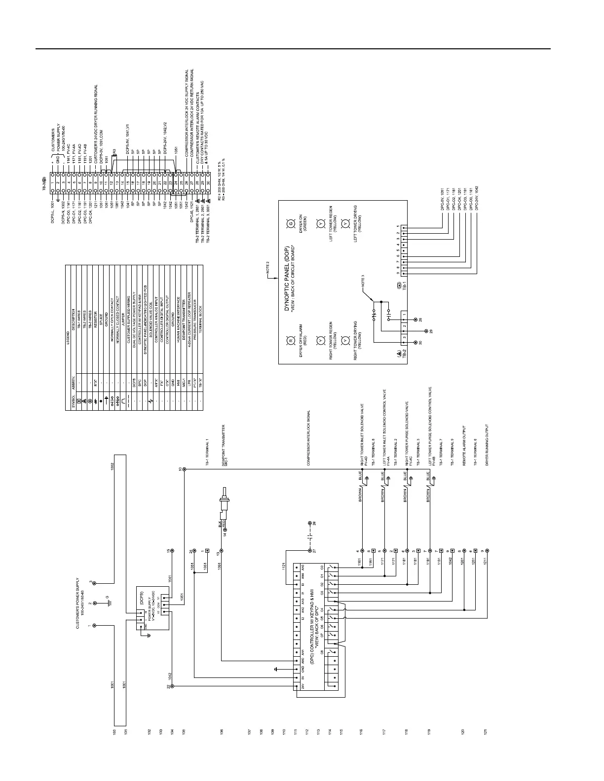
13.0 WIRING DIAGRAM
Wiring Diagram
NEMA 4 MLC
Drawing No.: 47595563

Related product manuals