EasyManua.ls Logo

Zenith D952X - Page 29

Zenith D952X
56 pages
Print Icon
To Next Page IconTo Next Page
To Next Page IconTo Next Page
To Previous Page IconTo Previous Page
To Previous Page IconTo Previous Page
Loading...
27
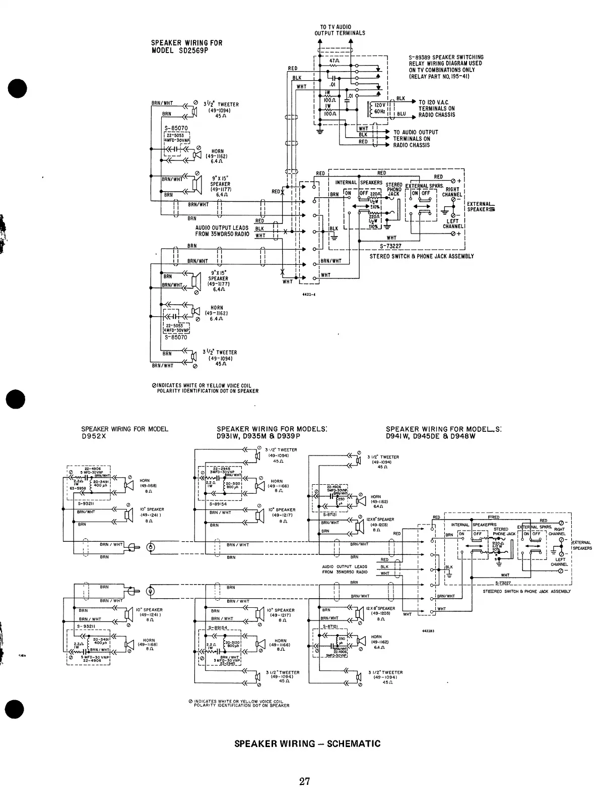
SPEAKER
WIRING
-
SCHEMATIC

Related product manuals