EasyManua.ls Logo

Zenith MC7031 - Page 41

Zenith MC7031
62 pages
Print Icon
To Next Page IconTo Next Page
To Next Page IconTo Next Page
To Previous Page IconTo Previous Page
To Previous Page IconTo Previous Page
Loading...
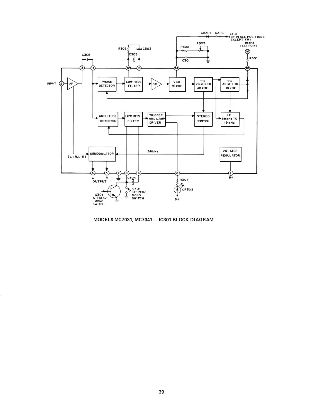
MODELS
MC7031,
MC7041 - IC301 BLOCK DIAGRAM
39

Related product manuals