EasyManua.ls Logo

Zenith MC7041 - MC7051 IC Block Diagrams

Zenith MC7041
62 pages
Print Icon
To Next Page IconTo Next Page
To Next Page IconTo Next Page
To Previous Page IconTo Previous Page
To Previous Page IconTo Previous Page
Loading...
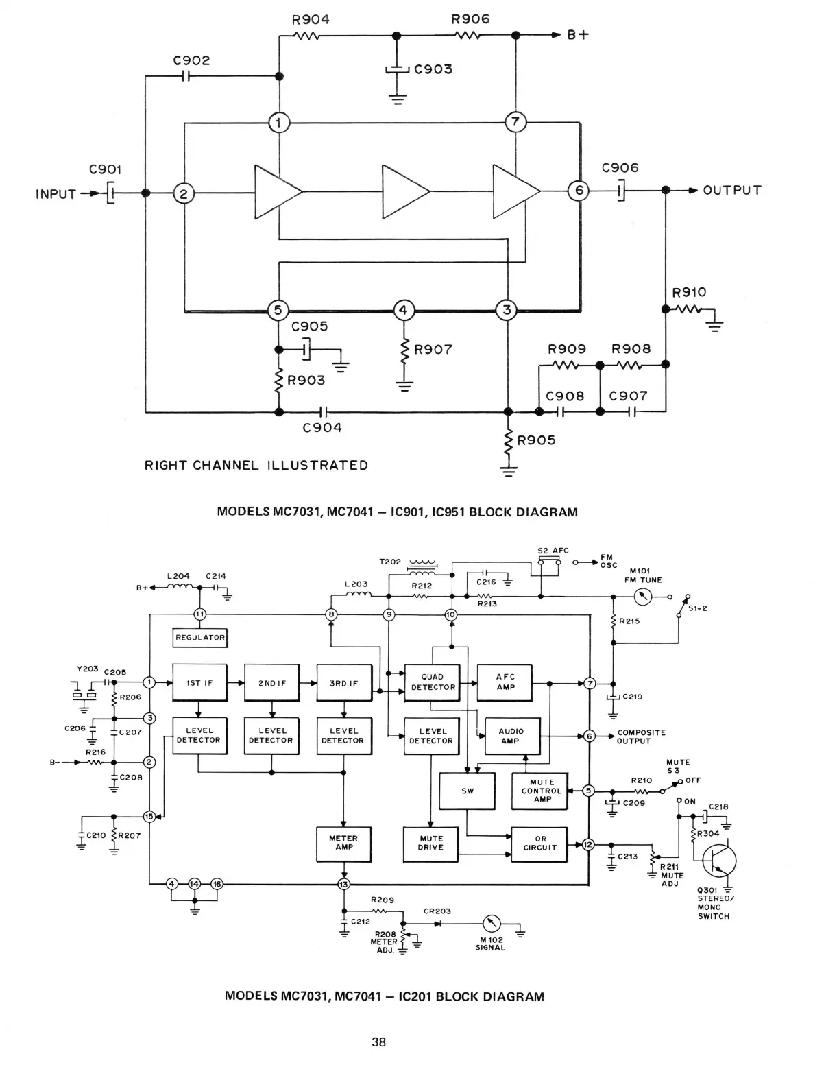
MODELS
MC7031,
MC7041 -
IC901,
IC951 BLOCK DIAGRAM
MODELS
MC7031,
MC7041 - IC201 BLOCK DIAGRAM
38

Related product manuals