EasyManua.ls Logo

Zenith MC7041 - Page 42

Zenith MC7041
62 pages
Print Icon
To Next Page IconTo Next Page
To Next Page IconTo Next Page
To Previous Page IconTo Previous Page
To Previous Page IconTo Previous Page
Loading...
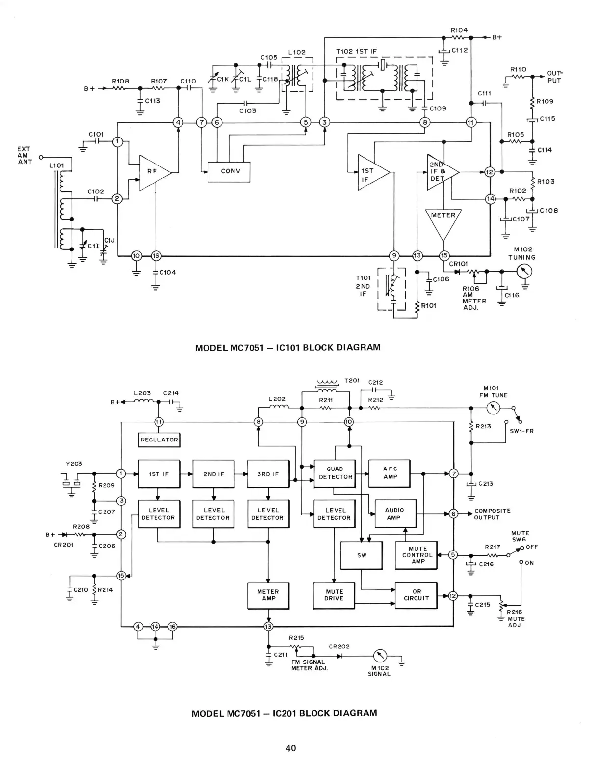
MODEL MC7051 - IC101 BLOCK DIAGRAM
MODEL MC7051 - IC201 BLOCK DIAGRAM
40

Related product manuals