EasyManua.ls Logo

Zenith MC7051 - Page 41

Zenith MC7051
62 pages
Print Icon
To Next Page IconTo Next Page
To Next Page IconTo Next Page
To Previous Page IconTo Previous Page
To Previous Page IconTo Previous Page
Loading...
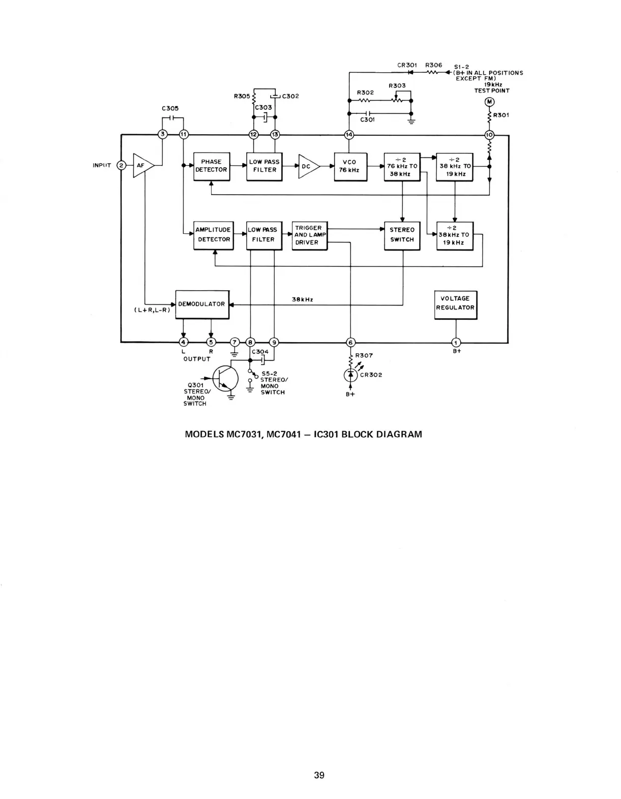
MODELS
MC7031,
MC7041 - IC301 BLOCK DIAGRAM
39

Related product manuals