EasyManua.ls Logo

Zeta Simplicity Plus - ZAI - MI Input Module; ZAIO - MI Input;Output Module; ZASC - MI Sounder Control Module

Zeta Simplicity Plus
50 pages
Print Icon
To Next Page IconTo Next Page
To Next Page IconTo Next Page
To Previous Page IconTo Previous Page
To Previous Page IconTo Previous Page
Loading...
SIMPLICITY PLUS INSTALLATION MANUAL
Approved Document No: GLT.MAN-107 PAGE 15
Issue 3.16 Author: NRPJ Date: 21/09/2017
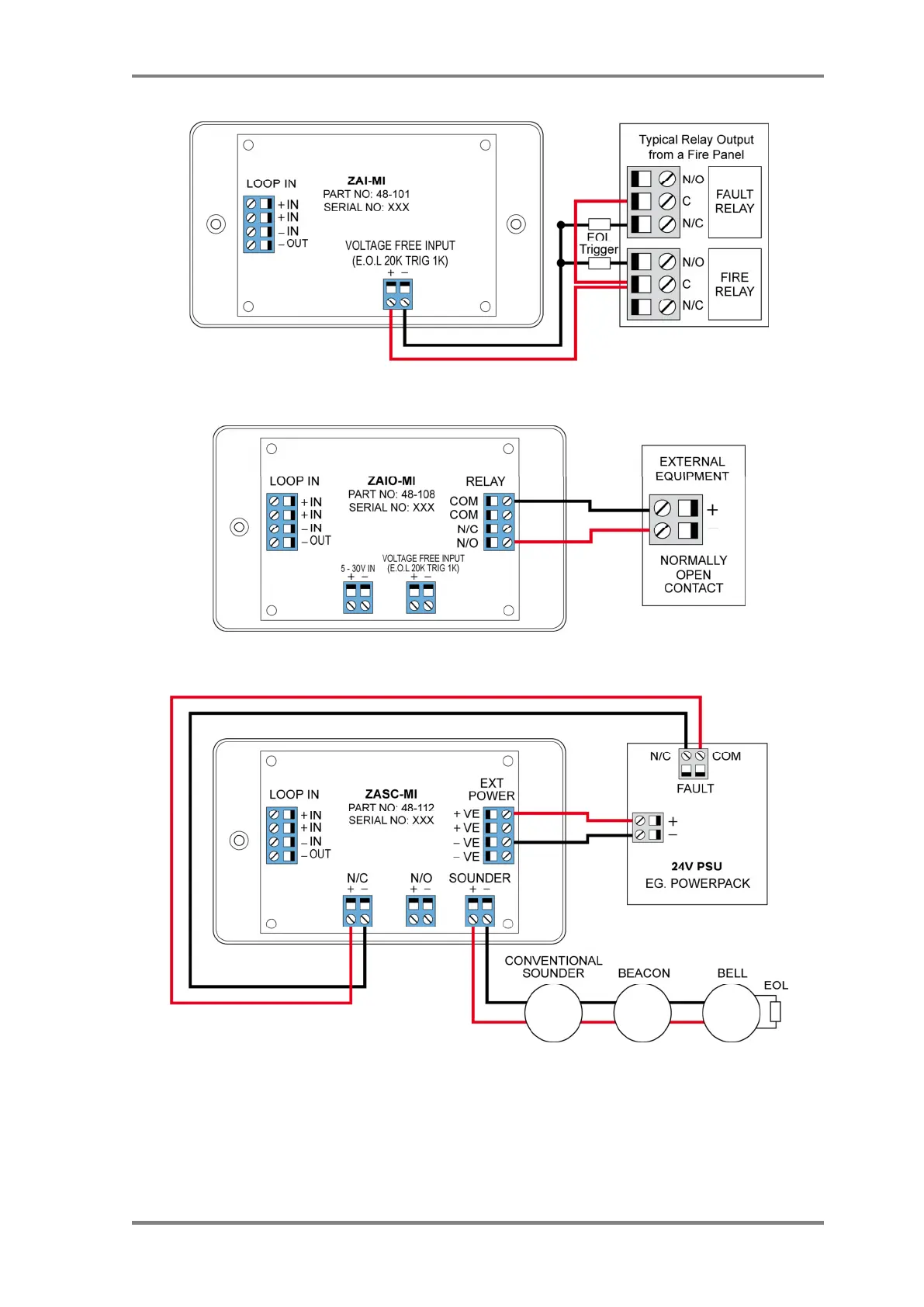
7.1.3 ZAI - MI Input Module
The end of line resistor value is 20KΩ and the trigger resistor value is 1 KΩ
7.1.4 ZAIO – MI Input/output Module
The end of line resistor value is 20KΩ and the trigger resistor value is 1K
7.1.5 ZASC – MI Sounder Control Module
The ZASC requires a external 24vdc power supply (as shown in the above diagram). The EOL for the sounder circuit is
10KΩ. When using the ZASC make sure the PSU being used has a fault output relay, so that in the event of a power supply
fault it is reported to the control panel.
Note: All Power Supplies used on fire alarm systems MUST comply with EN54 part 4
www.acornfiresecurity.com
www.acornfiresecurity.com

Table of Contents

Related product manuals