EasyManua.ls Logo

3M C1060 - C5000 Remote Microphone Functionality

3M C1060
90 pages
Print Icon
To Next Page IconTo Next Page
To Next Page IconTo Next Page
To Previous Page IconTo Previous Page
To Previous Page IconTo Previous Page
Loading...
C5000 Remote Microphone
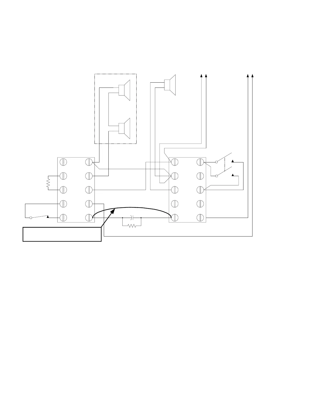
The 3M C5000 Three-Button Remote Microphone (78-8095-0893-6) functions as a remote workstation for a Station
Selector in the C5000 System. It can be used to answer incoming calls in the order they were received or broadcast to
all Call Stations simultaneously. It is a less expensive alternative to an extra Station Selector.
A 10 B
A 9 B
A 8 B
A 7 B
A 6 B
B 1 A
B 2 A
B 3 A
B 4 A
B 5 A
1k Ohm
S1
10.0 micro-Farad
20k Ohm
S3
WHT
BLK
Handset
Cradle Switch
Intercom Audio
External Speaker
(if used)
S2
+
Figure 1. Heavy Duty Security Handset (78-6911-2379-4)
Add wire here for Controller
Version 2.10 or greater
3
Food Services Trade Department
3M Center, Building 551-1E-02 Printed in U.S.A.
St. Paul, MN 55144-1000 © 3M 1999 19990920

Other manuals for 3M C1060

Related product manuals