EasyManua.ls Logo

ABB SPAD 330 C - Page 14

ABB SPAD 330 C
48 pages
Print Icon
To Next Page IconTo Next Page
To Next Page IconTo Next Page
To Previous Page IconTo Previous Page
To Previous Page IconTo Previous Page
Loading...
14
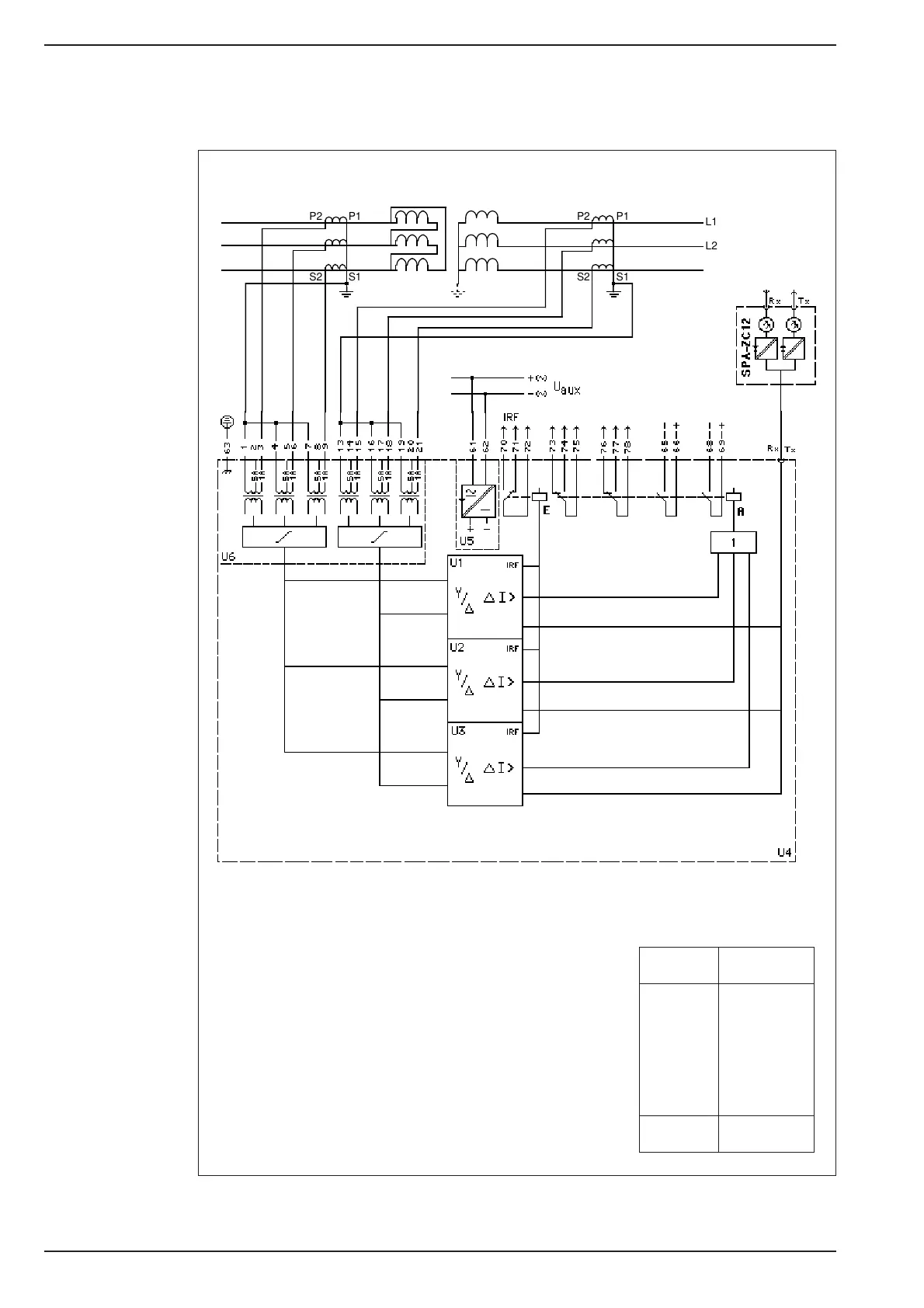
Biased differential relay SPAD 330 C used for
the winding short-circuit and interturn fault
protection of a Dyn11 connected power
transformer, when the current transformers
Example 5. have “inside and outside” earthings, i.e . the
current transformers have the basic connection
type II.
Switch SG1
10
21
31
40
50
60
= 6
Setting of the matching of the power transformer
vector group:
SPAD 330 C
SPAD 330 C
P1
S2
P2
S1
P2 P1
S1S2
L1
L2
L3
SPAD 330 C

Related product manuals