EasyManua.ls Logo

ABB STD 420E - Page 3

ABB STD 420E
186 pages
Go to English
To Next Page IconTo Next Page
To Next Page IconTo Next Page
To Previous Page IconTo Previous Page
To Previous Page IconTo Previous Page
Loading...
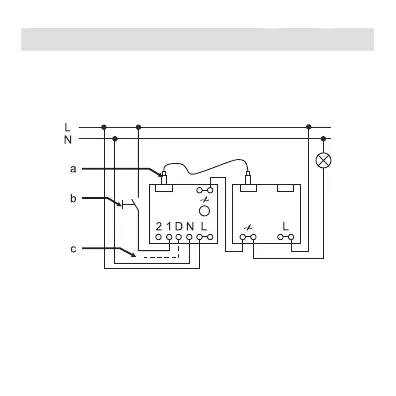
Fig. 1 GER 3
Pos: 6 /7x7/Inhalt/6583 / 6584/6583-500 / 6584- 500_ger @ 0\mod_117689241 7640_1.doc @ 10299
1 Fig. 1
Leistungserweiterung der Busch-Universal-Zentraldimmer
6583-xxx, STD-500U mit Universal-Leistungsbaustein
6584-xxx,STD-420 Tasterbetrieb.
GER
6583-xxx
(STD-500U)
6584-xxx
(STD-420E)
a Datenleitung RJ12 (25 cm)
b Nebenstelle, Taster z.B. 2020 US
c Steuerbaustein 6597-xxx, STD-SBS (weitere Typen
s. S. 5)

Related product manuals