EasyManua.ls Logo

ABB STD 420E

ABB STD 420E
186 pages
Go to English
To Next Page IconTo Next Page
To Next Page IconTo Next Page
To Previous Page IconTo Previous Page
To Previous Page IconTo Previous Page
Loading...
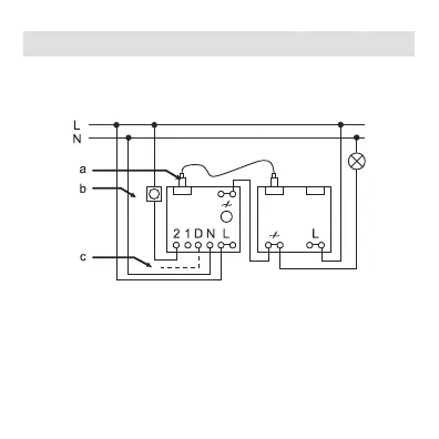
Fig. 2 GER 4
2 Fig. 2
Leistungserweiterung der Universal-Zentraldimmer 6583-
xxx, STD-500U mit Universal-Leistungsbaustein 6584-500,
STD-420E Dimmerbetrieb.
6583-xxx
(STD-500U)
6584-xxx
(STD-420E)
a Datenleitung RJ12 (25 cm)
b Drehdimmer Nebenstelle 6592 U-xxx
c Steuerbaustein 6597-xxx, STD-SBS (weitere Typen
s. S. 5)

Related product manuals