EasyManua.ls Logo

ABB STD 420E - Page 53

ABB STD 420E
186 pages
Go to English
To Next Page IconTo Next Page
To Next Page IconTo Next Page
To Previous Page IconTo Previous Page
To Previous Page IconTo Previous Page
Loading...
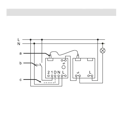
Fig. 1 FRE 53
Pos: 10 /7x7/Inhalt/ 6583 / 6584/6583-500 / 6584-500_fre @ 0\mod_1176892 700117_1.doc @ 10309
21 Fig. 1
Extension de puissance du variateur central universel
6583-xxx, STD-500U avec module de puissance universel
6584-xxx, STD-420 fonctionnement par bouton-poussoir.
FRE
6583-xxx
(STD-500U)
6584-xxx
(STD-420E)
a Ligne de données RJ12 (25 cm)
b Poste supplémentaire, par ex. 2020 US
c Module de commande 6597-xxx

Related product manuals