EasyManua.ls Logo

ABB STD 420E - Page 54

ABB STD 420E
186 pages
Go to English
To Next Page IconTo Next Page
To Next Page IconTo Next Page
To Previous Page IconTo Previous Page
To Previous Page IconTo Previous Page
Loading...
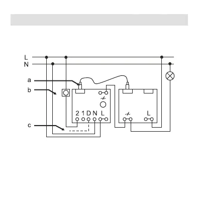
Fig. 2 FRE 54
22 Fig. 2
Extension de puissance du variateur central universel
6583-xxx, STD-500U avec module de puissance universel
6584-xxx, STD-420E, fonctionnement par variateur.
6583-xxx
(STD-500U)
6584-xxx
(STD-420E)
a Ligne de données RJ12 (25 cm)
b Poste supplémentaire Variateur 6592 U-xxx
c Module de commande 6597-xxx

Related product manuals