EasyManua.ls Logo

ABB STD 420E - Page 81

ABB STD 420E
186 pages
Go to English
To Next Page IconTo Next Page
To Next Page IconTo Next Page
To Previous Page IconTo Previous Page
To Previous Page IconTo Previous Page
Loading...
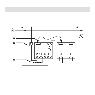
Afb. 2 DUT 81
32 Afb. 2
Vermogensuitbreiding voor de Universal-centraaldimmers
6583-500 met Universal-vermogensmodule 6584-500,
dimmermodus.
6583
(STD-500U)
6584
(STD-420E)
a Dataleiding RJ12 (25 cm)
b Draaidimmer-nevenaansluiting 6592 U-xxx
c Stuurmodule 6597-xxx, STD-SBS

Related product manuals