EasyManua.ls Logo

ABM IPinium F2000 - Page 13

Default Icon
39 pages
Print Icon
To Next Page IconTo Next Page
To Next Page IconTo Next Page
To Previous Page IconTo Previous Page
To Previous Page IconTo Previous Page
Loading...
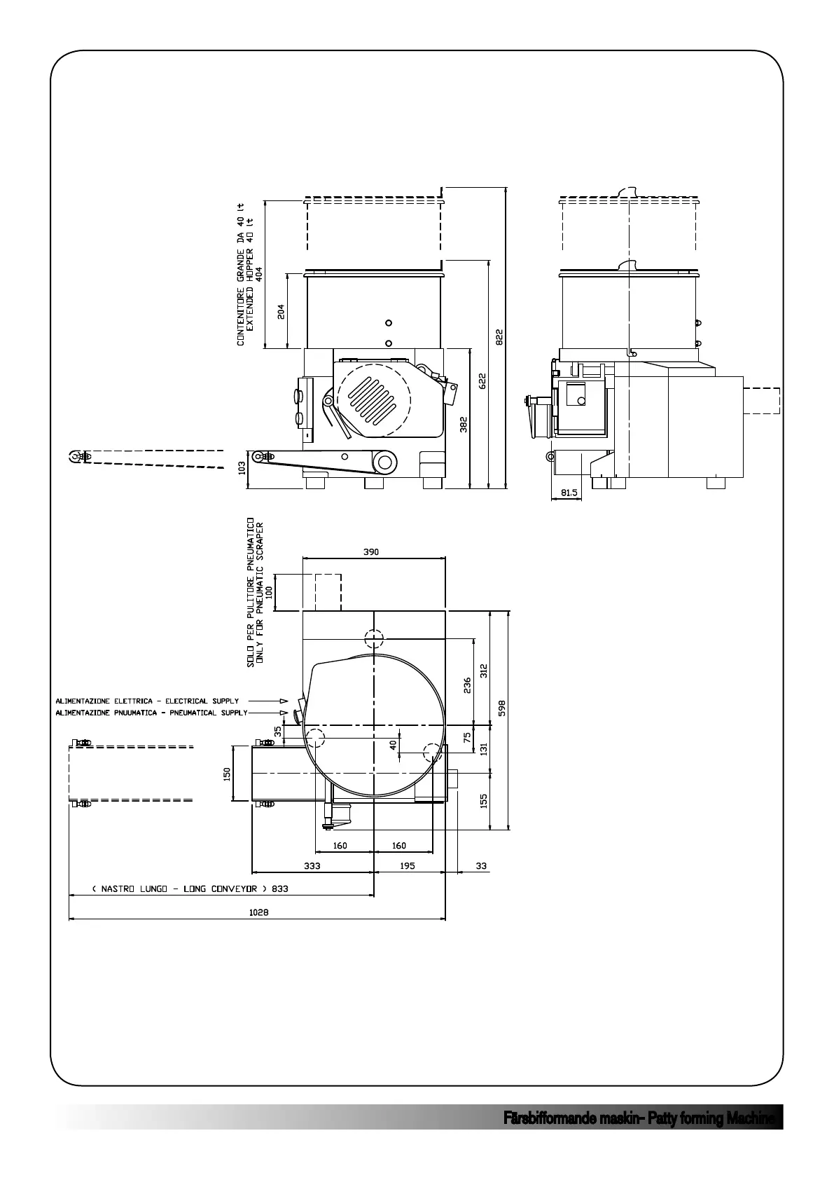
Färsbifformande maskin- Patty forming Machine
14
F2000 - F3000 - B1200