EasyManua.ls Logo

ABM IPinium F2000 - Page 14

Default Icon
39 pages
Print Icon
To Next Page IconTo Next Page
To Next Page IconTo Next Page
To Previous Page IconTo Previous Page
To Previous Page IconTo Previous Page
Loading...
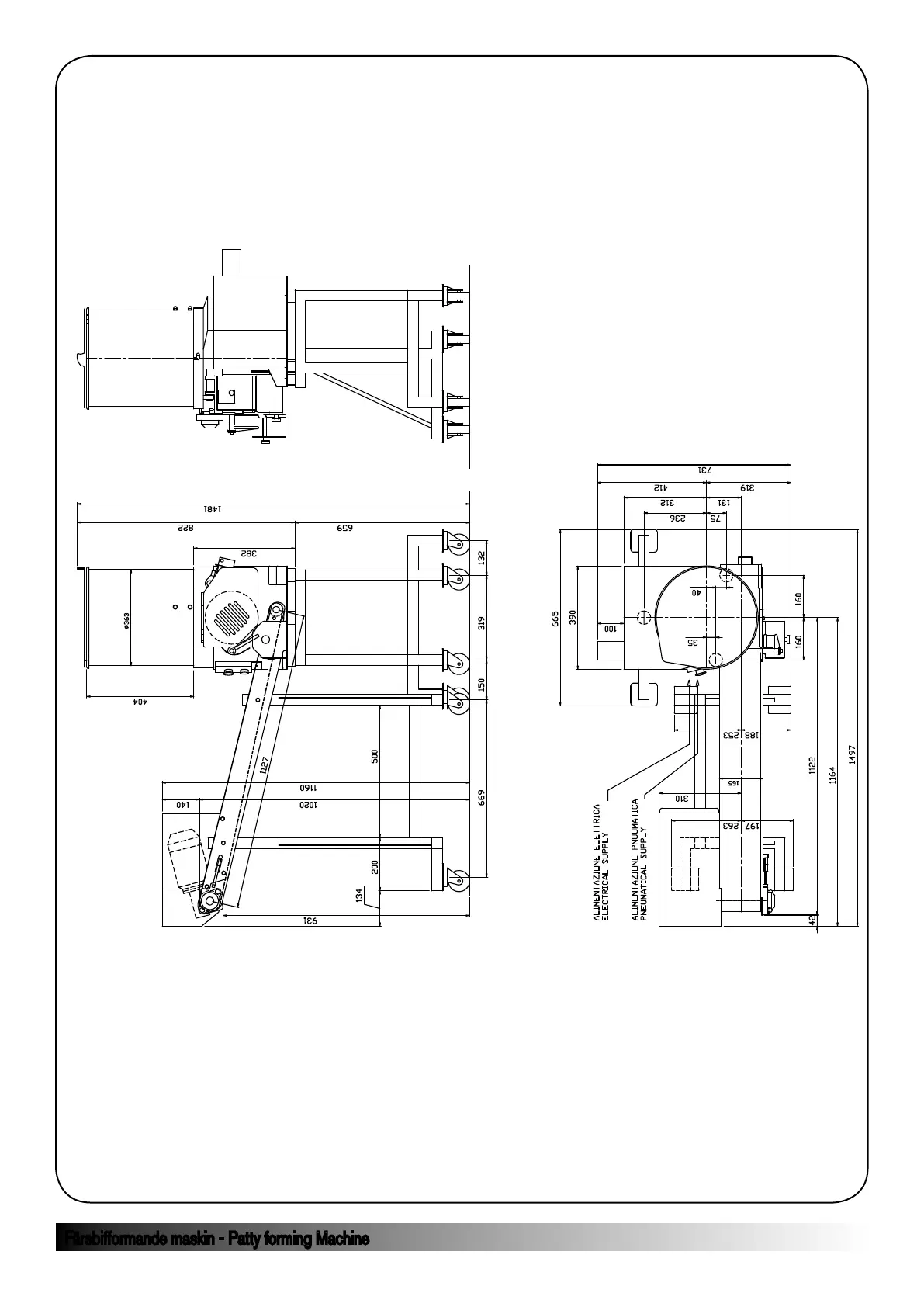
Färsbifformande maskin - Patty forming Machine
15
HD3000