EasyManua.ls Logo

ABS ABSFBM-200T - Wiring Diagram

ABS ABSFBM-200T
22 pages
Print Icon
To Previous Page IconTo Previous Page
To Previous Page IconTo Previous Page
Loading...
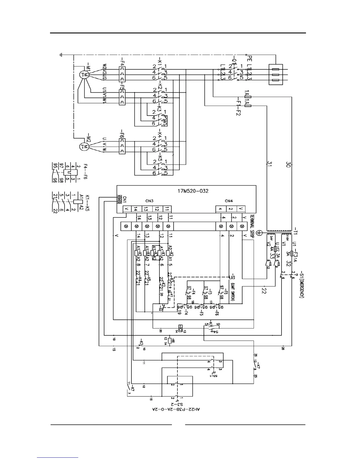
WIRING DIAGRAM
2
0

Related product manuals