EasyManua.ls Logo

Abus 2WAY - Page 106

Abus 2WAY
Print Icon
To Next Page IconTo Next Page
To Next Page IconTo Next Page
To Previous Page IconTo Previous Page
To Previous Page IconTo Previous Page
Loading...
106
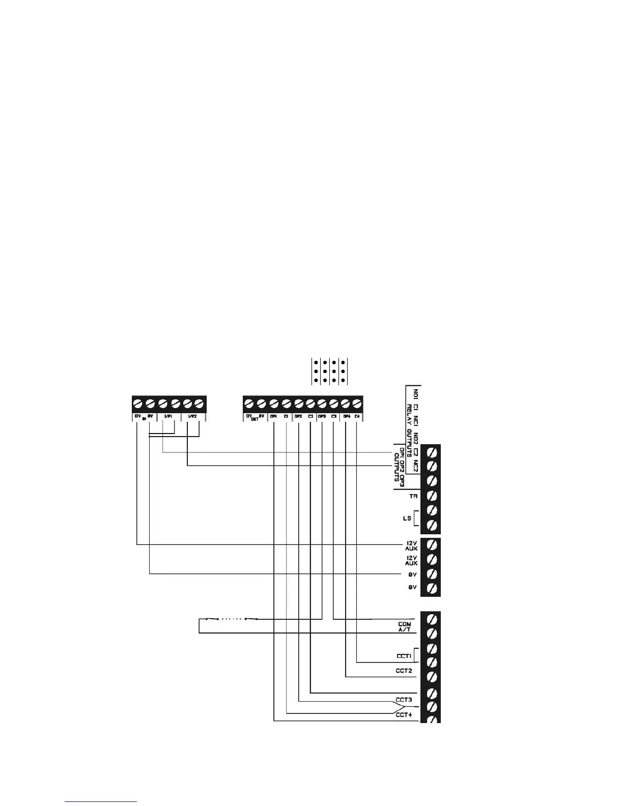
del modulo universale. Se la centralina di allarme viene attivata,
questa uscita si collega a massa
(0 V) e rimane collegata a massa finché l’impianto non viene
nuovamente disattivato.
Dopo che la centralina di allarme è stata disattivata, lampeggia il
LED del canale rilevatore sul modulo universale che è scattato per
primo. I LED dei canali del rilevatore che sono anch’essi scattati,
sono costantemente illuminati sul modulo universale.
Walk Test:
L’uscita 2 della centralina di allarme è collegata con l’ingresso 2
del modulo universale. Se viene eseguito un walk test, l’uscita 2
della centralina di allarme si collega a massa (0 V). Staccare ore i
rilevatori radio uno dopo l’altro. Una volta che il modulo universale
ha ricevuto il segnale, la ricezione viene confermata con un
segnale acustico. I LED del canale rilevatore sul modulo universale
è costantemente illuminato. Una volta testati tutti i rilevatori,
disattivare l’uscita 2 della centralina di allarme, dopodiché i LED si
spengono.
12V
0V
OP1
OP2
OP3
OP4
12V
0V
OP1
OP2
OP3
OP4

Table of Contents

Related product manuals