EasyManua.ls Logo

Abus 2WAY - Page 135

Abus 2WAY
Print Icon
To Next Page IconTo Next Page
To Next Page IconTo Next Page
To Previous Page IconTo Previous Page
To Previous Page IconTo Previous Page
Loading...
135
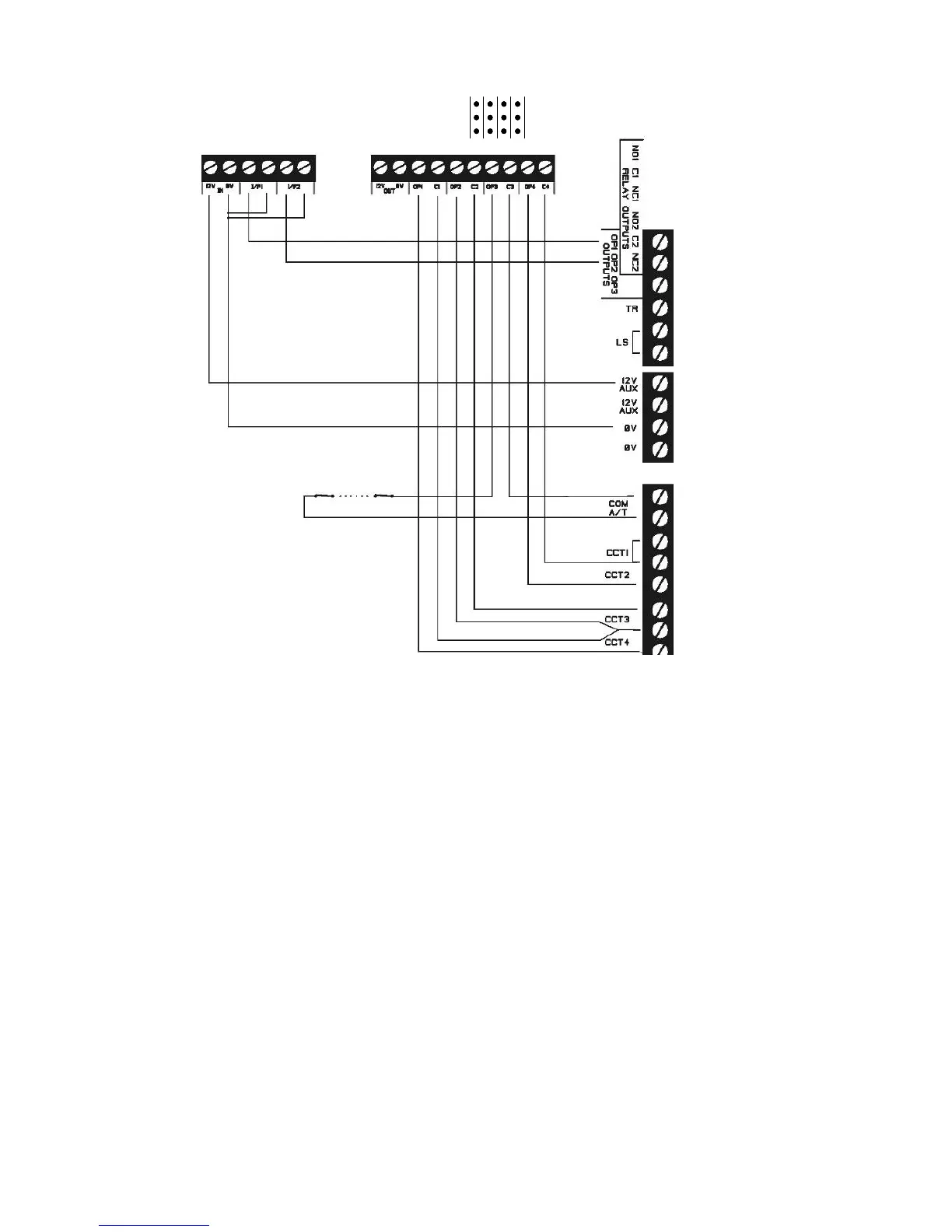
Speciale functie van de melderkanalen in de functiemodus 6
Deze functie heeft alleen invloed op de functie van ingelezen
afstandsbedieningen (FU5150/FU5155) in functiemodus 6. In alle
andere functiemodi wordt er geen rekening gehouden met de hier
verrichte instelling. De instelling beïnvloedt de melderkanalen in
hun aanstuurfunctie voor de daaraan toegewezen relaisuitgangen
als doorlopend contact of impulscontact. Voor het
omprogrammeren van de melderkanalen gaat u als volgt te werk:
In het hoofdmenu van het programmeermenu kiest u punt 3
(LED 3 brandt).
Bevestig dit punt met de toets SET. LED 1 voor de weergave
van uitgang 1 brandt of knippert.
U bevindt zich nu in het submenu van menupunt 3. Kies het
melderkanaal waarvan de eigenschap veranderd moet worden.
Voor het kiezen van het melderkanaal drukt u op de toets
SELECT.
Opmerking: Melderkanalen 1-4 beïnvloeden de functie van
relaisuitgang 1, melderkanalen 5-8 de functie van relaisuitgang
2.
12V
0V
OP1
OP2
OP3
OP4
12V
0V
OP1
OP2
OP3
OP4

Table of Contents

Related product manuals