EasyManua.ls Logo

Abus 2WAY - Page 78

Abus 2WAY
Print Icon
To Next Page IconTo Next Page
To Next Page IconTo Next Page
To Previous Page IconTo Previous Page
To Previous Page IconTo Previous Page
Loading...
78
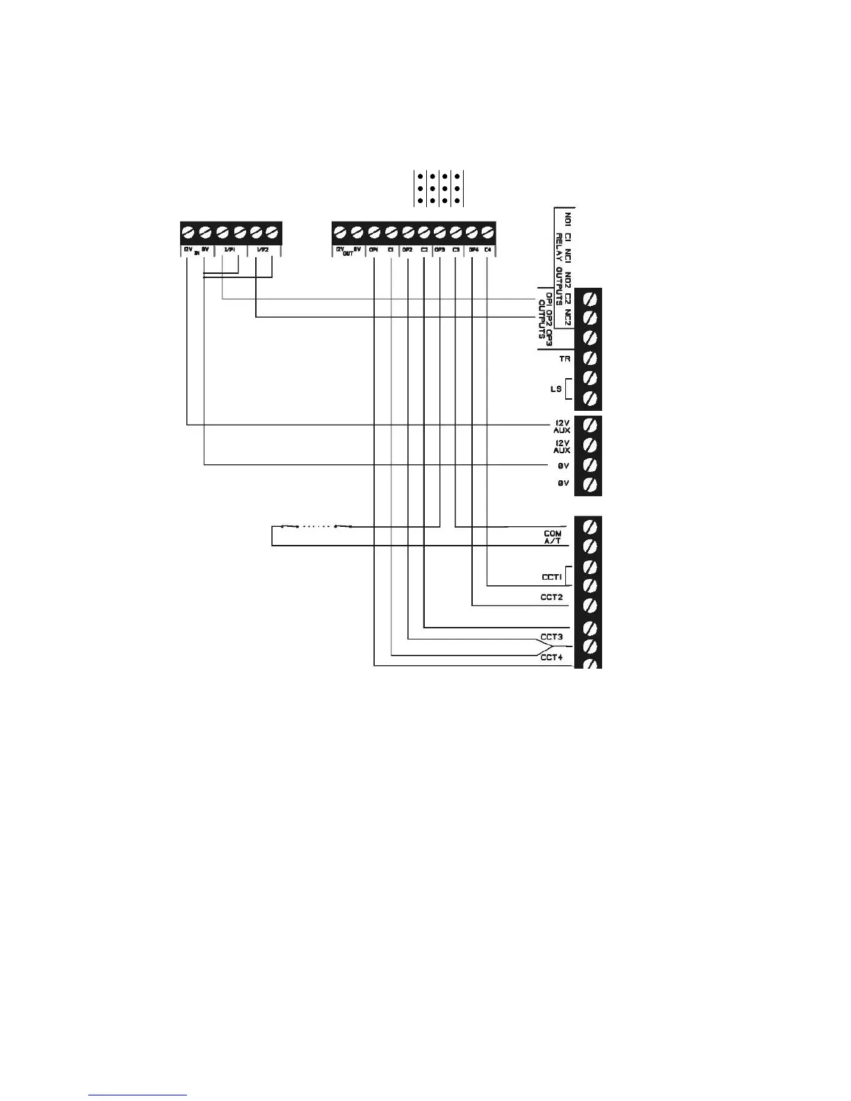
le module universel a reçu le signal, la réception est confirmée par
une tonalité. Le LED du canal détecteur sur le module universel est
allumé continuellement. Après le test de tous les détecteurs,
désactivez la sortie 2 de la centrale d’alarme et les LEDs
s’éteignent.
Fonction spéciale des canaux détecteurs en mode de fonction 6
Cette fonction n’affecte que le fonctionnement de commandes à
distance attribuées (FU5150/FU5155) en mode de fonction 6.
Dans tous les autres modes de fonction, la configuration réalisée à
ce niveau est ignorée. La configuration réalisée affecte les canaux
détecteurs au niveau de la commande des sorties de relais qui leur
ont été attribuées en tant que contact continu ou contact
impulsionnel. Pour modifier la programmation des canaux
détecteurs, procédez comme suit:
Dans le menu principal du mode de programmation,
sélectionnez l’option 3 (le LED 3 s’allume).
Confirmez cette option par une pression de la touche SET. Le
LED d’affichage de la sortie 1 s’allume ou clignote.
Vous êtes actuellement dans le sous-menu de l’option 3.
Sélectionnez le canal détecteur dont vous voulez modifier la
propriété. Pour sélectionner le canal détecteur, pressez la
12V
0V
OP1
OP2
OP3
OP4
12V
0V
OP1
OP2
OP3
OP4

Table of Contents

Related product manuals