EasyManua.ls Logo

Acer D1P1909 - Getting Started; Connecting the Projector

Acer D1P1909
95 pages
Print Icon
To Next Page IconTo Next Page
To Next Page IconTo Next Page
To Previous Page IconTo Previous Page
To Previous Page IconTo Previous Page
Loading...
13
English
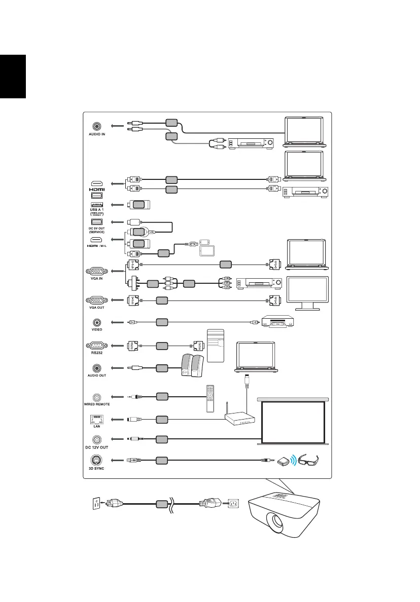
Getting Started
Connecting the Projector
11
13
R
L
HDTV adapter
RCA
4
6
2
10
10
3
3
3
9
5
5
8
7
12
2
2
1
14
Smart devices
Video output
Display
Screen
Speakers
3D IR emitter

Related product manuals