EasyManua.ls Logo

Acson A4LC 40 C - Page 16

Acson A4LC 40 C
30 pages
Print Icon
To Next Page IconTo Next Page
To Next Page IconTo Next Page
To Previous Page IconTo Previous Page
To Previous Page IconTo Previous Page
Loading...
14
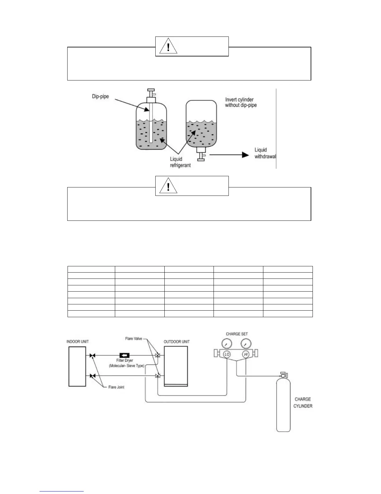
R407C must be charged as liquid. Usually R407C cylinder is equipped with a dip-pipe for
liquid withdrawal. If there is no dip-pipe, the cylinder should be inverted so as to withdraw
liquid R407C from the valve.
Do not top-up when servicing leak, as this will reduce the unit performance. Vacuum the unit
thoroughly and then charge the unit with fresh R407C according to the amount recommended
in the specification.
(6) ADDITIONAL CHARGE
The refrigerant gas has already been pre-charged into the outdoor unit. For the piping length of 5m
and below, additional refrigerant charge after vacuuming is not necessary.
When the piping length is more than 5m, please use the table below (unit in grams).
MODEL 7m 10m 15m 20m
10
40 100 200 -
15
40 100 200 -
20
40 100 200 -
25
80 200 400 -
30
90 225 450 675
40
90 225 450 675
50
90 225 450 675
Caution
Caution

Related product manuals