EasyManua.ls Logo

Acson A4LC 40 C - Electrical Connections; General Precautions

Acson A4LC 40 C
30 pages
Print Icon
To Next Page IconTo Next Page
To Next Page IconTo Next Page
To Previous Page IconTo Previous Page
To Previous Page IconTo Previous Page
Loading...
13
(4) WIRING
ELECTRICAL CONNECTIONS
Wiring regulations on wire diameters differ from country to country. Please refer to your LOCAL
ELECTRICAL CODES for field wiring rules. Be sure that installation comply with such rules and
regulations.
GENERAL PRECAUTIONS
Ensure that the rated voltage of the unit corresponds to the name plate before carrying out proper
wiring according to the wiring diagram.
Provide a power outlet to be used exclusively for each unit. A power supply disconnect and a circuit
breaker for over-current protection should be provided in the exclusive line.
The unit must be GROUNDED to prevent possible hazards due to insulation failures.
All wiring must be firmly connected.
All wiring must not touch the hot refrigerant piping, compressor or any moving parts of fan motors.
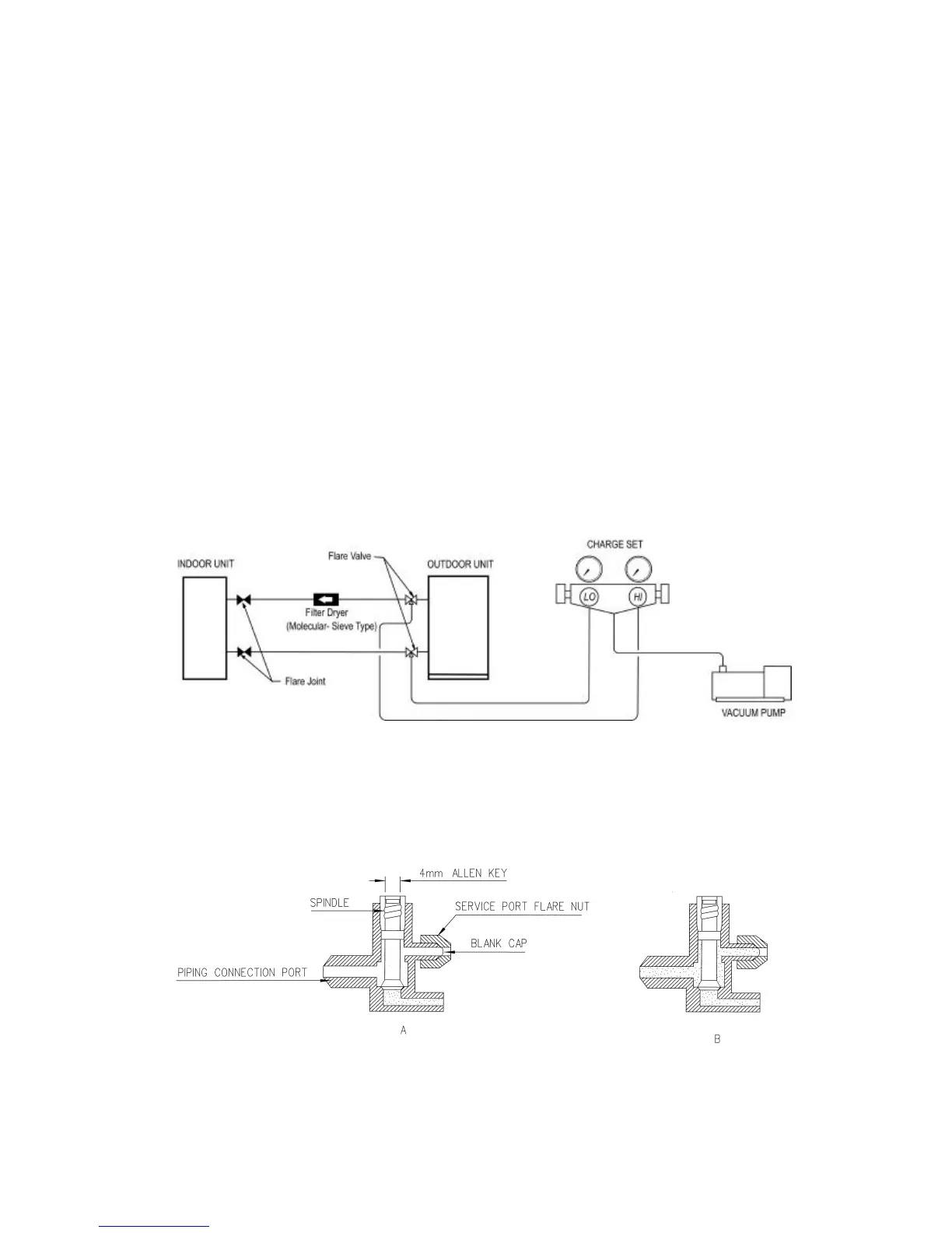
(5) VACUUMING AND CHARGING
The pre-charged outdoor unit does not need any vacuuming or charging. However once it is
connected, the connecting pipe line and the indoor need to be vacuumed before releasing R407C
from the outdoor unit.
1) Open the service port core cap.
2) Connect pressure gauge to the service port.
3) Connect the line to vacuum pump. Open the charging manifold valve and turn the pump on.
Vacuum to -0. 1 Mpa (-760mmHg) or lower. Evacuation time varies by the capacity of the pump
but average time is approximately 1 hour.
Diagram 1
4) After evacuation, unscrew the spindle (Diagram 2B) for the gas to run to indoor unit.
Diagram 2

Related product manuals