EasyManua.ls Logo

Acson A5MSY20BR - Page 67

Acson A5MSY20BR
98 pages
Print Icon
To Next Page IconTo Next Page
To Next Page IconTo Next Page
To Previous Page IconTo Previous Page
To Previous Page IconTo Previous Page
Loading...
64
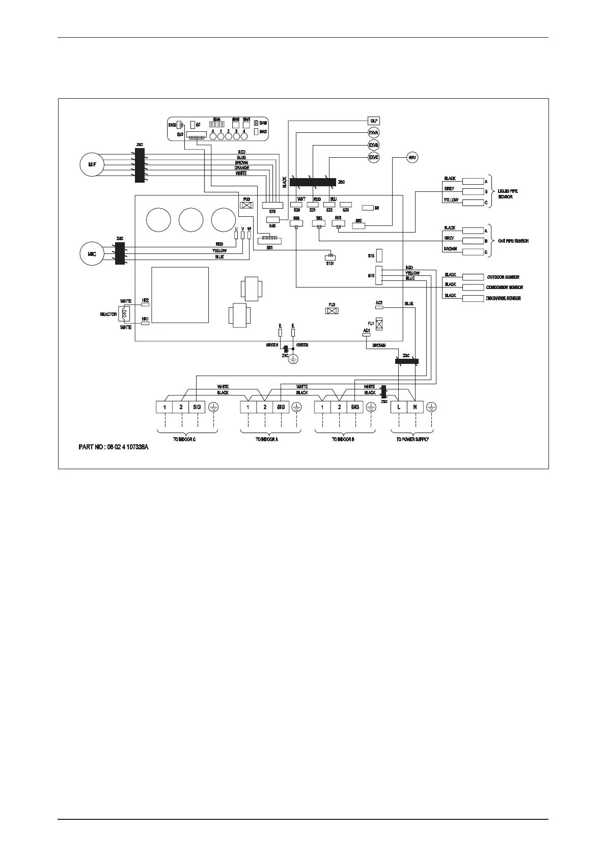
A5MSY-2010 Wiring Diagram
Outdoor Unit
Model: A5MSY25BR

Related product manuals