EasyManua.ls Logo

Acson A5MSY25BR - Page 16

Acson A5MSY25BR
98 pages
Print Icon
To Next Page IconTo Next Page
To Next Page IconTo Next Page
To Previous Page IconTo Previous Page
To Previous Page IconTo Previous Page
Loading...
13
Application Information A5MSY-2010
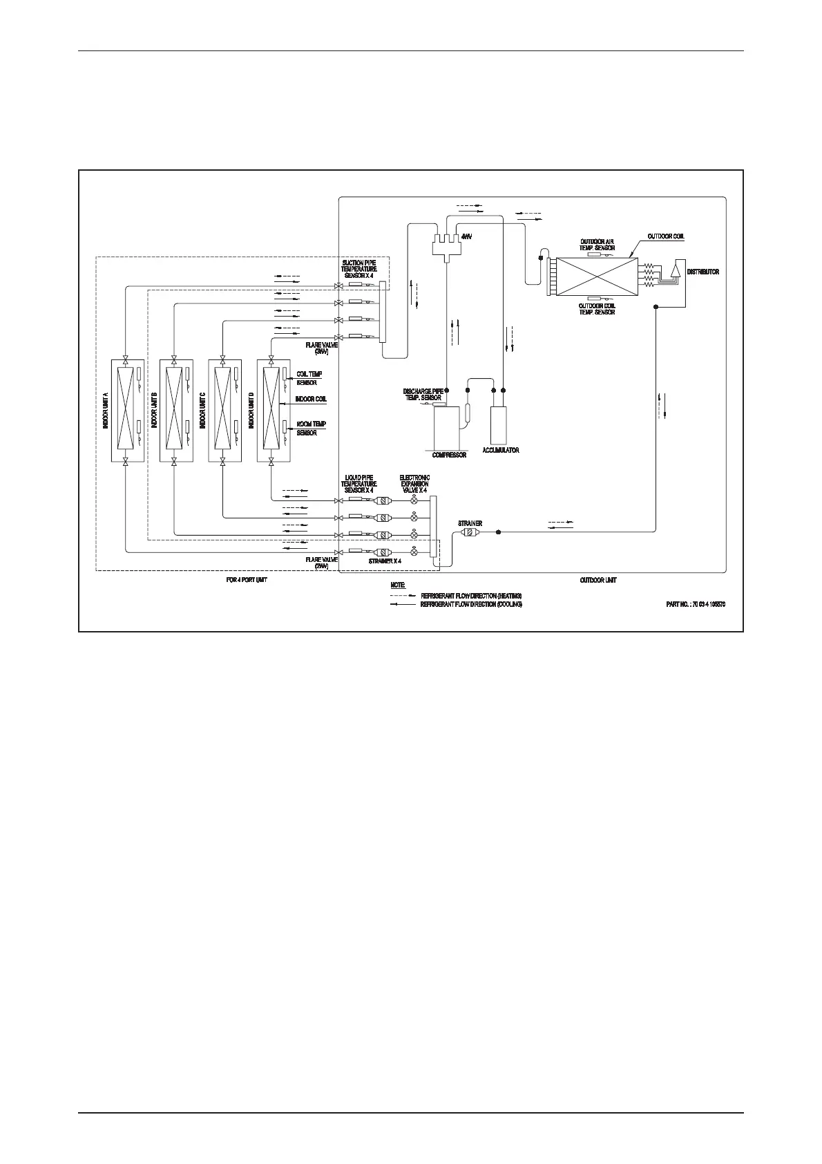
Refrigerant Circuit Diagram
Model: A5MSY25BR
A5MSY30BR

Related product manuals