EasyManua.ls Logo

Acson AWM 07G - Page 116

Acson AWM 07G
167 pages
To Next Page IconTo Next Page
To Next Page IconTo Next Page
To Previous Page IconTo Previous Page
To Previous Page IconTo Previous Page
Loading...
113
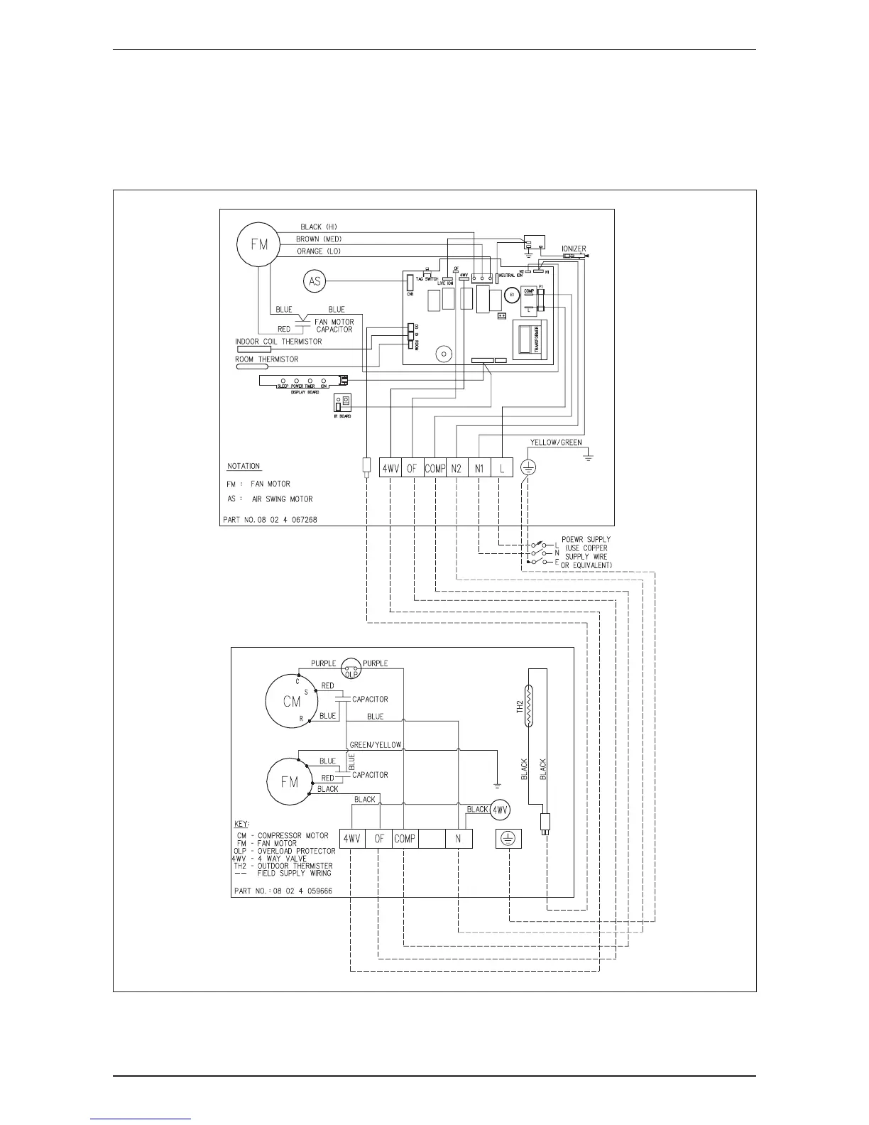
Wiring Diagram AWM-G-2009
Heat Pump
Indoor Unit Outdoor Unit
Model: AWM 09/10GR Model: ALC 09/10CR
A5WM 07/10/15GR A5LC 07/10/15CR

Related product manuals