EasyManua.ls Logo

Acson RCM 50 DR - Page 47

Acson RCM 50 DR
94 pages
Print Icon
To Next Page IconTo Next Page
To Next Page IconTo Next Page
To Previous Page IconTo Previous Page
To Previous Page IconTo Previous Page
Loading...
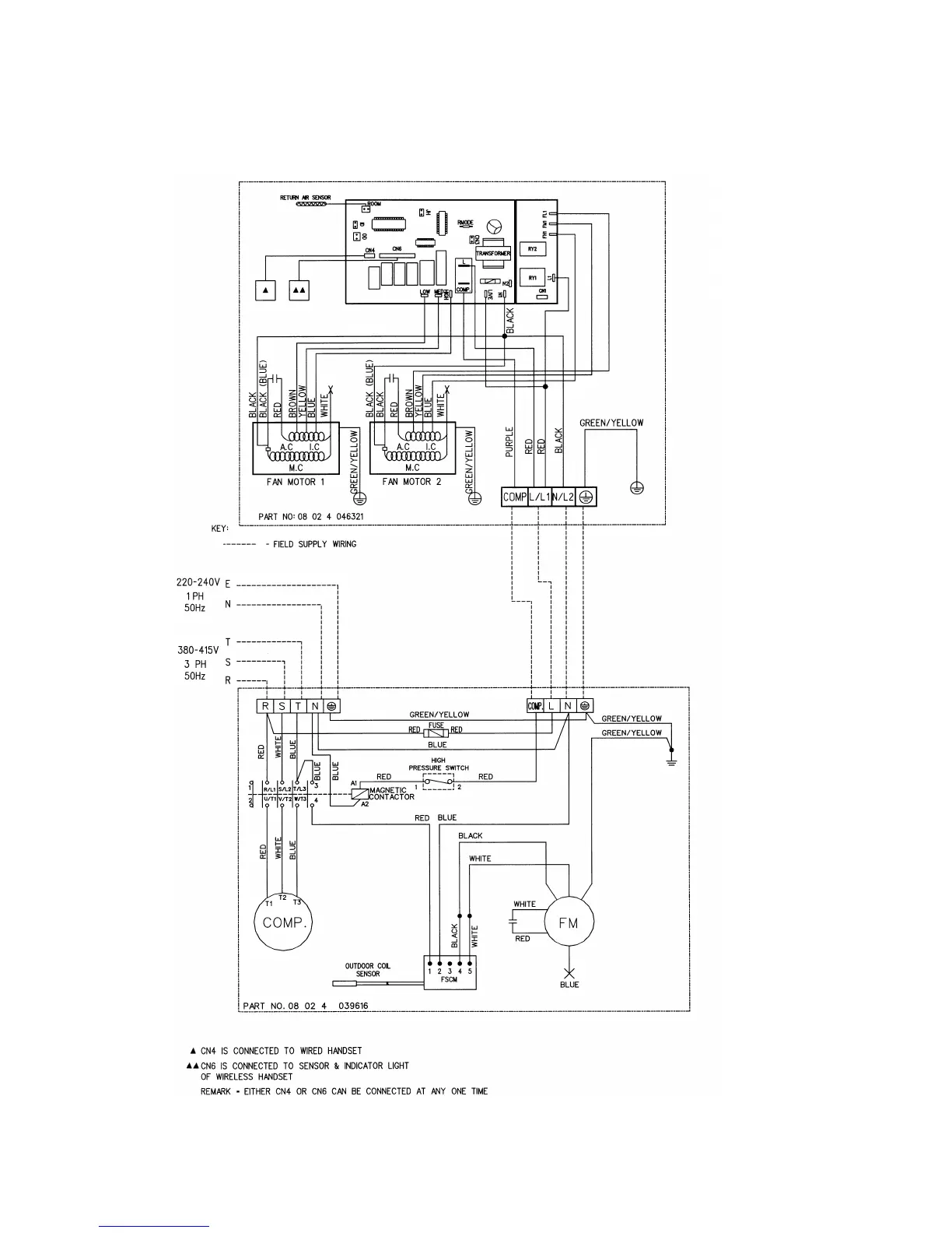
INDOOR UNIT
MODEL : RCM61/62C
OUTDOOR UNIT
MODEL : A4LC60C
46

Related product manuals