EasyManua.ls Logo

Acson RCM 50 DR - Wiring Diagram: Heat Pump Indoor Units (RCM Series); Wiring Diagram: Heat Pump Outdoor Units (ALC;A4 LC Series)

Acson RCM 50 DR
94 pages
Print Icon
To Next Page IconTo Next Page
To Next Page IconTo Next Page
To Previous Page IconTo Previous Page
To Previous Page IconTo Previous Page
Loading...
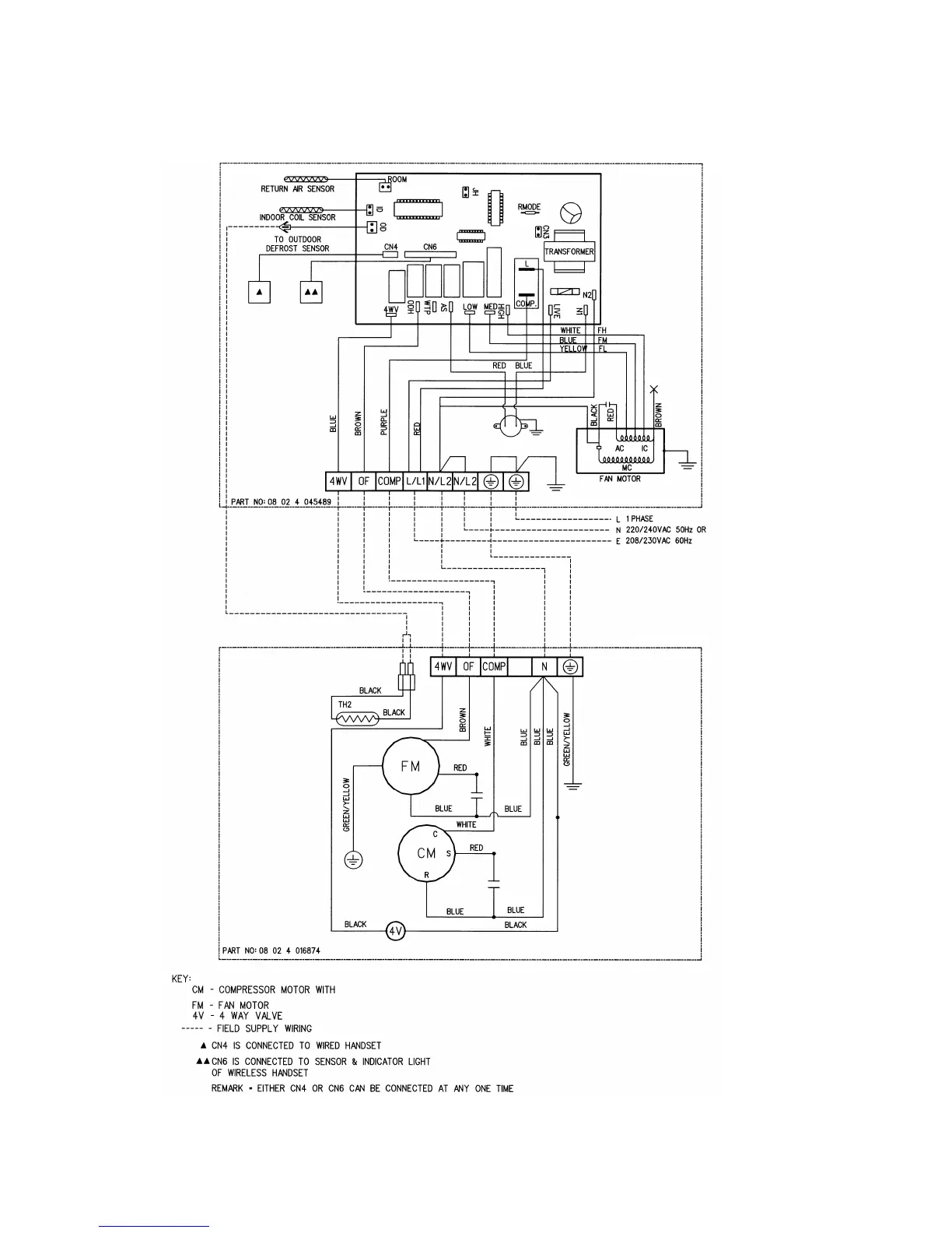
HEAT PUMP
INDOOR UNIT
MODEL : RCM 20/25DR
OUTDOOR UNIT
MODEL: ALC/A4LC 20/25BR
48

Related product manuals