EasyManua.ls Logo

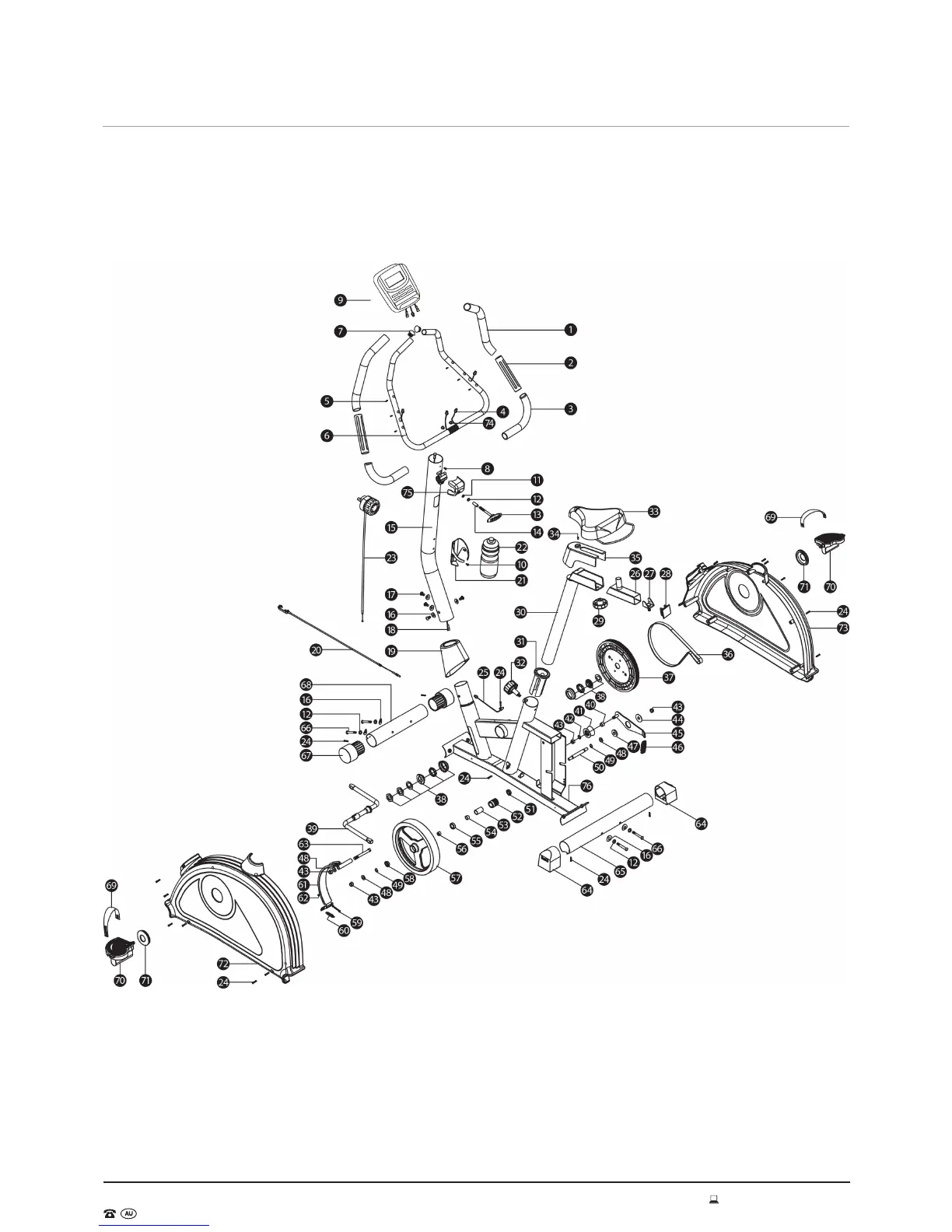
Action S002144 - Exploded Diagram

Default Icon
19 pages
Print Icon
To Previous Page IconTo Previous Page
To Previous Page IconTo Previous Page
Loading...
service@actionspares.com.au
MODEL: S002144
AFTER SALES SUPPORT
1800 465 070
19
Exploded Diagram