EasyManua.ls Logo

ADC Soneplex Broadband System - Page 247

ADC Soneplex Broadband System
342 pages
Print Icon
To Next Page IconTo Next Page
To Next Page IconTo Next Page
To Previous Page IconTo Previous Page
To Previous Page IconTo Previous Page
Loading...
ADCP-61-471 • Issue 4 • June 2000 • Section 2: Operation and Maintenance
2-224
© 2000, ADC Telecommunications, Inc.
DLP-570
Page 14 of 18
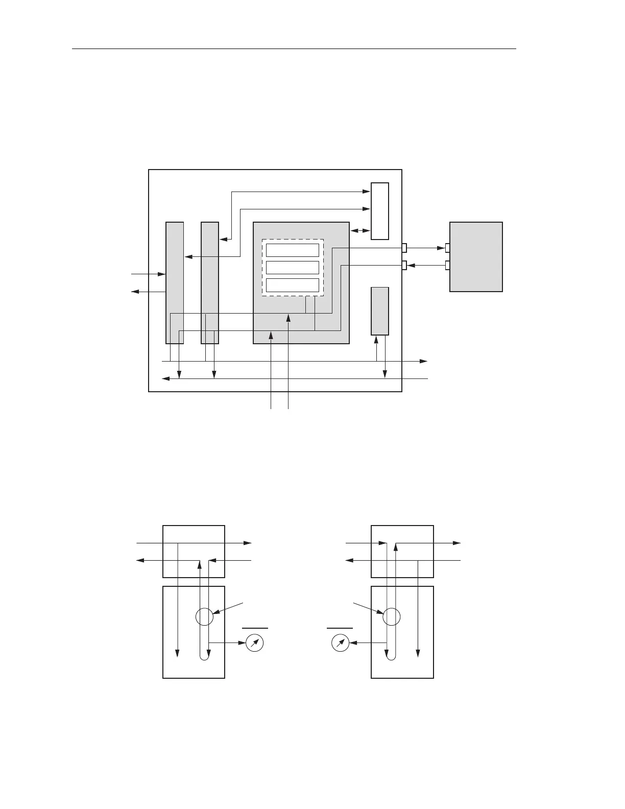
DS3 MUX RTAU
PATTERN GEN
DETECTOR
CONTROLLER
A
B
MPU
or
SCU
LINE
CARD
DS1 TEST
SET
RX
TX
BIPOLAR
ACCESS
RTAU
FRONT
PANEL
DS3
EQUIPMENT
MONITOR
SPLIT
DS1
FACILITY
14869-A
(OPTIONAL)
Figure 570-6. RTAU Test Configuration Block Diagram
EQUIPMENT (E)
[NETWORK]
FACILITY (F)
[CUSTOMER]
CIRCUIT
UNDER TEST
SIGNAL
PRESENCE
DETECTOR
MONF
DS3 MUX
RTAU
A
B
EQUIPMENT (E)
[NETWORK]
FACILITY (F)
[CUSTOMER]
CIRCUIT
UNDER TEST
SIGNAL
PRESENCE
DETECTOR
MONE
11865-B
DS3 MUX
RTAU
B
A
Figure 570-7. MONF and MONE

Table of Contents