EasyManua.ls Logo

ADC Soneplex Broadband System - Page 251

ADC Soneplex Broadband System
342 pages
Print Icon
To Next Page IconTo Next Page
To Next Page IconTo Next Page
To Previous Page IconTo Previous Page
To Previous Page IconTo Previous Page
Loading...
ADCP-61-471 • Issue 4 • June 2000 • Section 2: Operation and Maintenance
2-228
© 2000, ADC Telecommunications, Inc.
DLP-570
Page 18 of 18
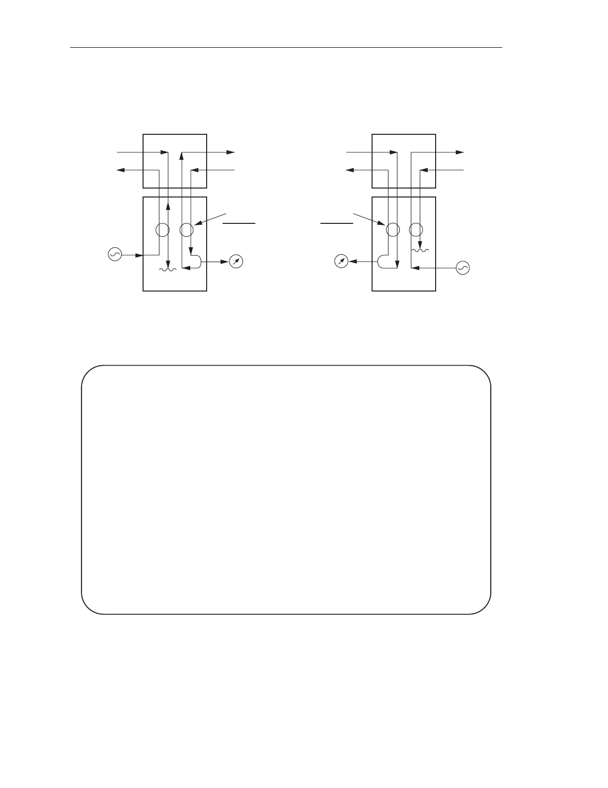
DS3 MUX
RTAU
A
B
A
B
EQUIPMENT (E)
[NETWORK]
FACILITY (F)
[CUSTOMER]
CIRCUIT
UNDER TEST
SIGNAL
PRESENCE
DETECTOR
DS3 MUX
RTAU
EQUIPMENT (E)
[NETWORK]
FACILITY (F)
[CUSTOMER]
CIRCUIT
UNDER TEST
SIGNAL
PRESENCE
DETECTOR
11872-B
QRS
LOOPELOOPF
QRS
Figure 570-14. LOOPF and LOOPE
14867-A
RTAU CONFIG
EQUIPMENT SETUP
===============
Current User : CRAFT Test Circuit: 1-2
Line Code : INTERNAL Mode : SPLTE
SIGNAL GENERATOR SETUP
======================
Pattern Type : EFS -------------------------------------
Frame Format : QRS
Loop Code : NONE ---------------
BIT ERROR SETUP Error Counts Status Elapsed Time
=============== ============ ====== ============
Error Count : 0 Data : F Sync: ES :
Error Rate : OFF BPV : P Sync: EFS:
Error Locn : N/A Frame: RAI :
CRC :
COFA :
Test Timeout : 60 Measurement : START WAITING ON SYNC
In Minutes
Press CONTROL-A For Assistance
Figure 570-15. RTAU Configuration Screen (Starting a Measurement)

Table of Contents