EasyManua.ls Logo

ADF LINEA 100 - Page 40

ADF LINEA 100
Print Icon
To Next Page IconTo Next Page
To Next Page IconTo Next Page
To Previous Page IconTo Previous Page
To Previous Page IconTo Previous Page
Loading...
40
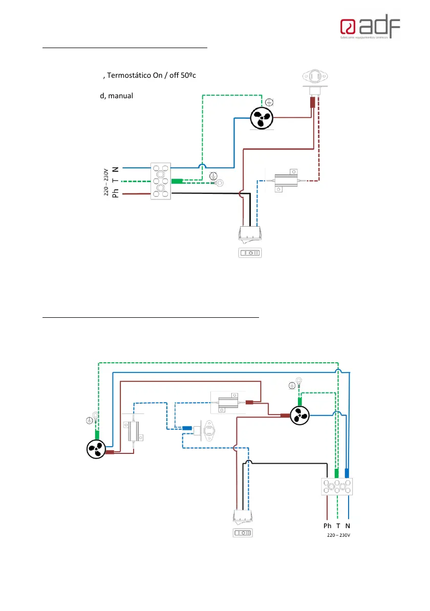
Esquema Ventilación 3 posiciones (estufas
)
Modo de funcionamiento:
I-Baja velocidad, Termostático On / off 50ºc
0 Off-
II-Alta velocidad, manual
Esquema Ventilación 3 posiciones (Estufas Doble Frente)

Other manuals for ADF LINEA 100