EasyManua.ls Logo

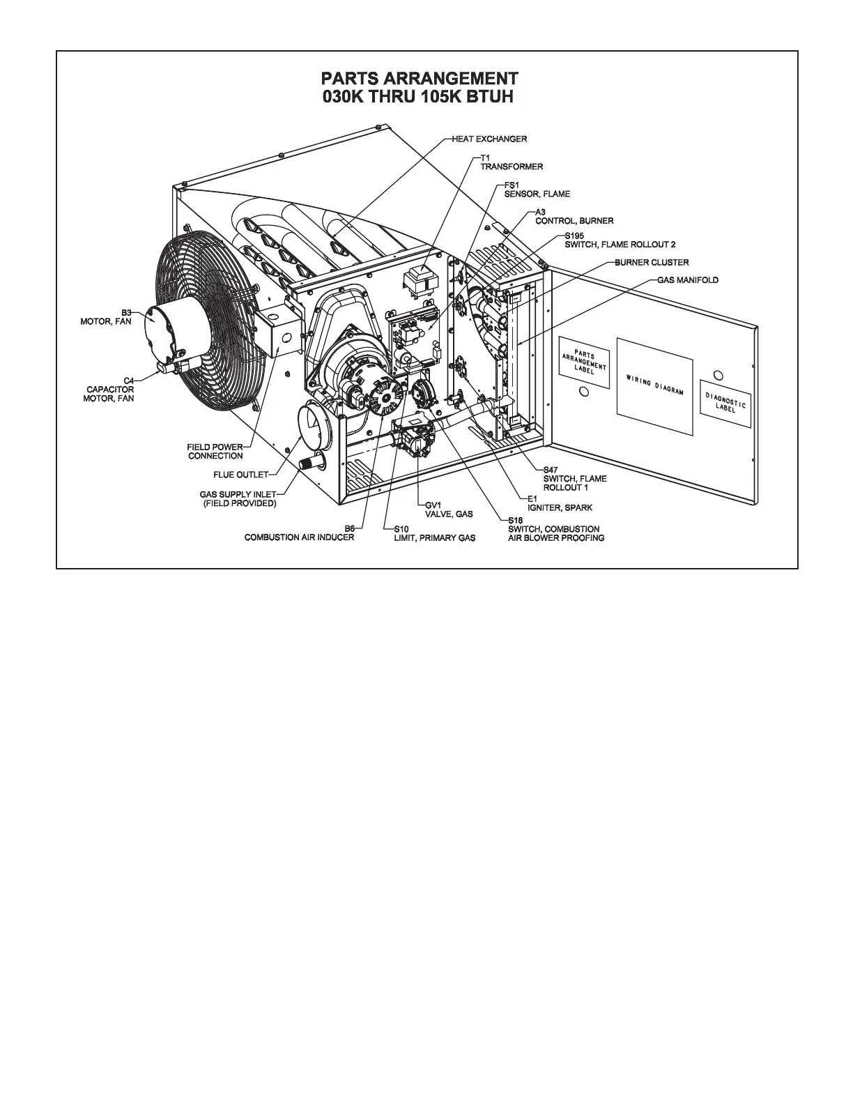
Adp UHRS-030 - Compact Unit Parts Arrangement

Adp UHRS-030
28 pages
Print Icon
To Next Page IconTo Next Page
To Next Page IconTo Next Page
To Previous Page IconTo Previous Page
To Previous Page IconTo Previous Page
Loading...
Page 4

Related product manuals