EasyManua.ls Logo

AER amp one - Circuit Diagram

AER amp one
12 pages
Print Icon
To Next Page IconTo Next Page
To Next Page IconTo Next Page
To Previous Page IconTo Previous Page
To Previous Page IconTo Previous Page
Loading...
11
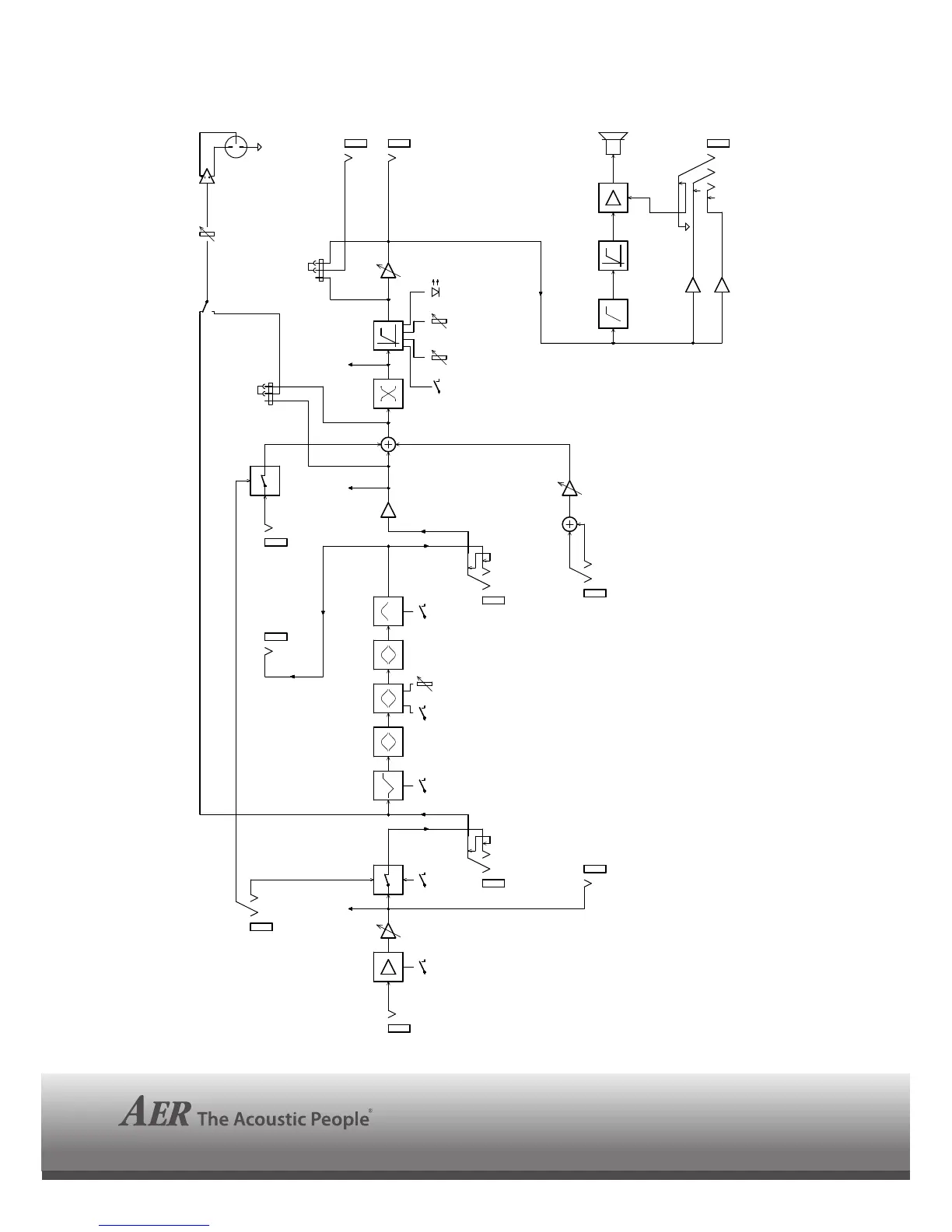
7. Circuit Diagram
www.aer-amps.com
amp one - 2012_01_GB
B080725B_20110329
EXT. EFFECT
SPEAKER MUTE
ACTIVE
LINE OUT PRE/POST MASTER
DI OUT PRE/POST EFF.
PREAMP
HIGH/LOW
GAIN
MUTE
OFF/ON
BASS MIDDLE TREBLE
FREQ
OFF/ON
BASS BOOST
BANDWIDTH
TONE BALANCE
COMPRESSOR
OFF/ON
THRESH RATIO
TUNER
SEND RETURN
LINE OUT
SUB OUT
HEADPHONES
HEADPHONES AMP
POWER AMP
SUBSONIC
RMS LIMITER
AUX
MASTER
DI OUT
DI OUT PRE/POST EQ
MUTE
INPUT
DI OUT LEVEL
CLIP DETECTION
CLIP DETECTION
CLIP DETECTION
COLOUR
FOOT SWITCH
INSERT PRE EQ INSERT POST EQ
AUX IN
1
2
3
TR
TR TR
TR

Other manuals for AER amp one

Related product manuals