EasyManua.ls Logo

AERMEC FCA 32 - Page 43

AERMEC FCA 32
48 pages
Print Icon
To Next Page IconTo Next Page
To Next Page IconTo Next Page
To Previous Page IconTo Previous Page
To Previous Page IconTo Previous Page
Loading...
43
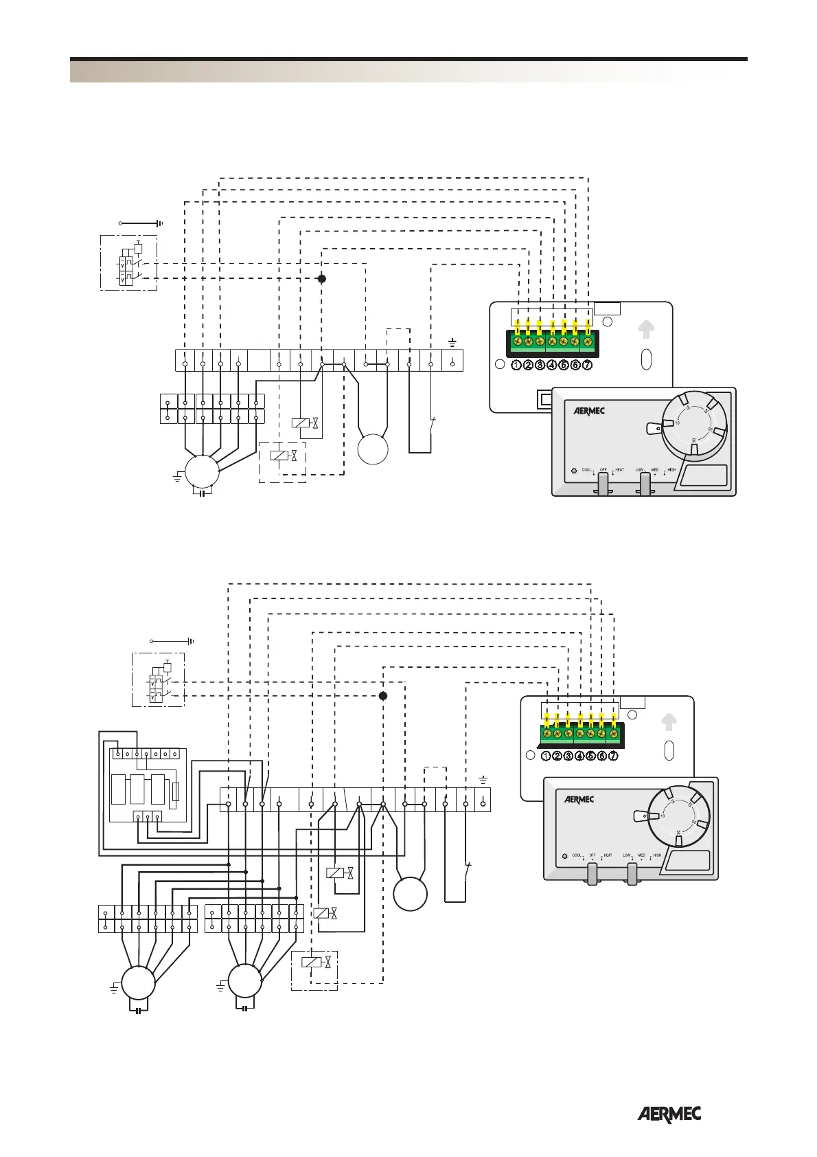
Gli schemi elettrici sono soggetti ad un continuo aggiornamento, è obbligatorio quindi fare riferimento a quelli a bordo macchina.
All wiring diagrams are constantly updated. Please refer to the ones supplied with the unit.
Nos schémas électriques étant constamment mis à jour, il faut absolument se référer à ceux fournis à bord de nos appareils.
Die Schaltpläne werden ständig aktualisiert, deswegen muss man sich stets auf das mit dem Gerät gelieferte Schaltschema beziehen.
El cableado de las máquinas es sometido a actualizaciones constantes. Por favor, para cada unidad hagan referencia a los esquemas suministrados con la misma.
WMT10
FCA 32 - 34 - 36 - 38 - 42 - 44 - 62 - 64
WMT10
FCA 82 - 84 - 122 - 124
L1
~
HIGH
MED
LOW
HEAT
COOL
L2 - N
WMT10
MA
MA
BL
BL BL MA NE NE
MP
VC
VF
AMP
Y1 Y2 N N
L
L
EX M
GR
NE
MA
RO
V1
V2 V3 V4
1
1
6
3
3
4
4
5
5
2
2
6
MV
BL
GR
NE
MA
RO
BL
230V
50Hz
PE
L
N
IG
L1
~
HIGH
MED
LOW
HEAT
COOL
L2 - N
WMT10
GR
NE
MA
RO
MA
BL
BL
MA NE NE
MV
MP
VC
V1
V2
V3
V4
Y1
Y2
N
N
L
L
EX
M
VF2
V1
V2
V3
RO
BL
GR
RO
MA
MV
AMP
230V
50Hz
PE
L
N
IG
1
1
6 3
3
4
4
5
5
2
2
6
1
1
6 3
3
4
4
5
5
2
2
6
BL
GR
NE
MA
RO
BL
GR
NE
MA
RO
BL
GR
NE
MA
RO
BL
V1 V2 V3LLNN
SIT
F 2A
VF1
SCHEMI ELETTRICI • WIRING DIAGRAMS • SCHEMAS ELECTRIQUES • SCHALTPLÄNE • ESQUEMAS ELÉCTRICOS

Other manuals for AERMEC FCA 32

Related product manuals