EasyManua.ls Logo

AERMEC FCL 34 - Page 11

AERMEC FCL 34
64 pages
Print Icon
To Next Page IconTo Next Page
To Next Page IconTo Next Page
To Previous Page IconTo Previous Page
To Previous Page IconTo Previous Page
Loading...
11
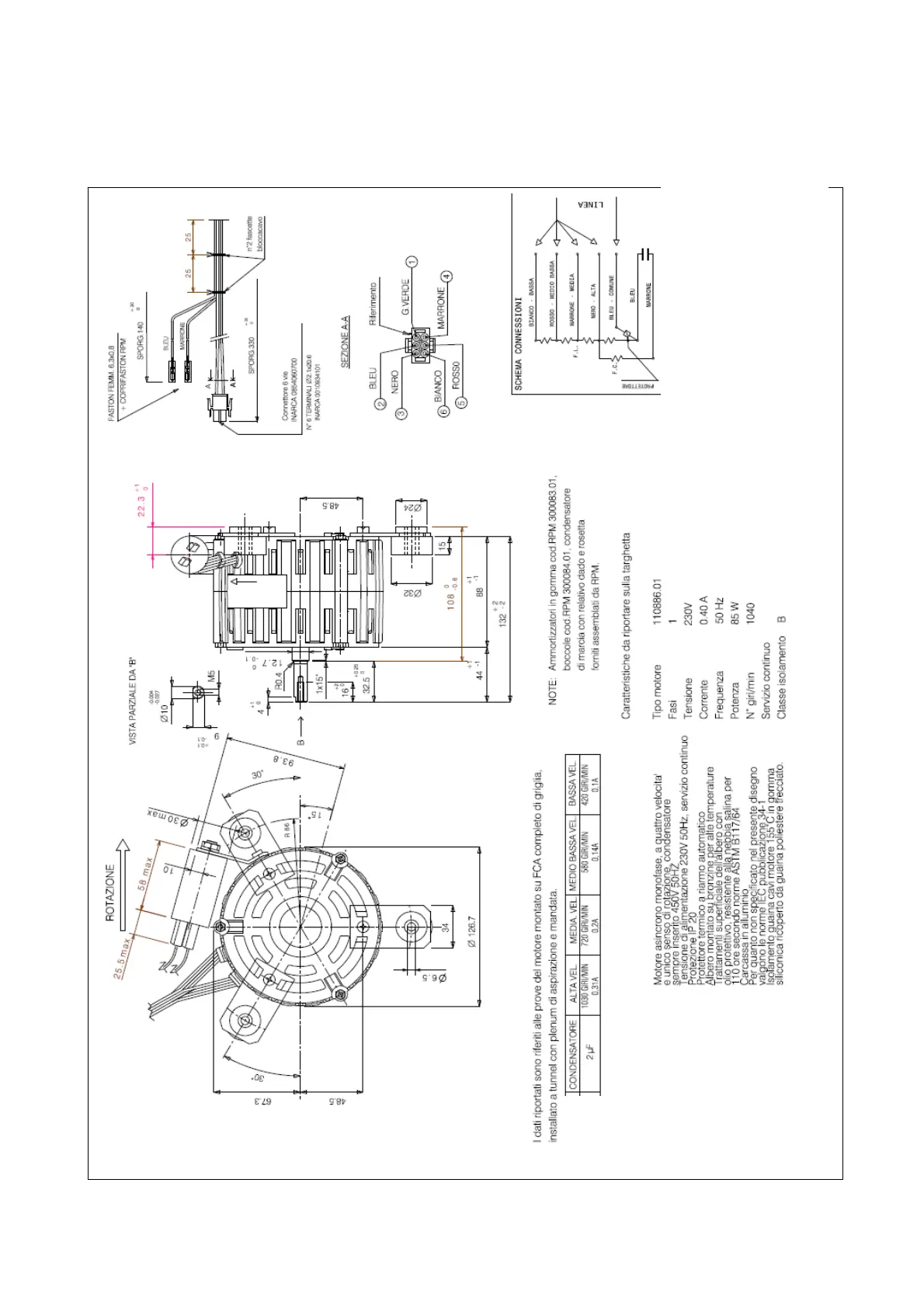
Motor for FCL 42- 44

Other manuals for AERMEC FCL 34

Related product manuals