EasyManua.ls Logo

AERMEC FCL 34 - FCL84 Cooling Capacity Details; FCL84 Extended Performance Data

AERMEC FCL 34
64 pages
Print Icon
To Next Page IconTo Next Page
To Next Page IconTo Next Page
To Previous Page IconTo Previous Page
To Previous Page IconTo Previous Page
Loading...
39
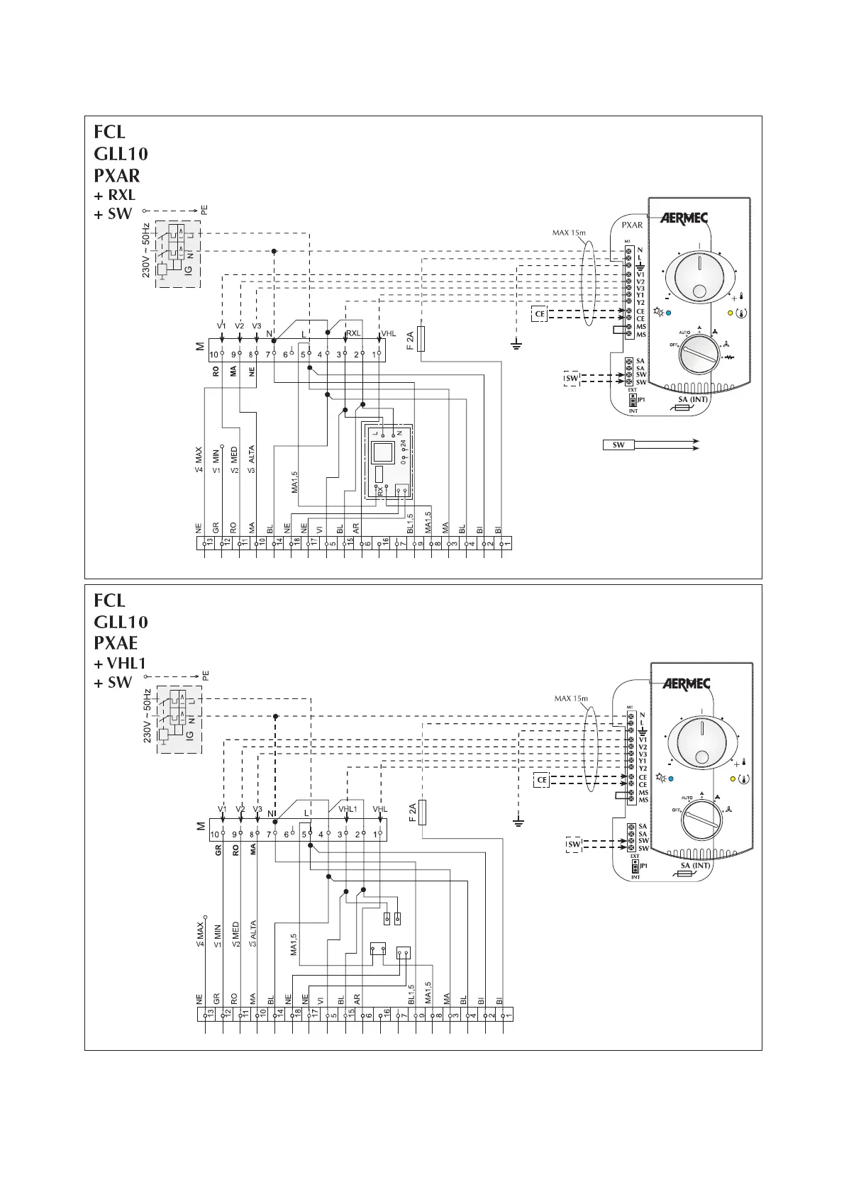
Wiring diagrams are constantly updated. It is therefore compulsory to refer to the ones supplied with the unit.
Wiring diagrams are constantly updated. It is therefore compulsory to refer to the ones supplied with the unit.

Other manuals for AERMEC FCL 34

Related product manuals