EasyManua.ls Logo

AERMEC FCL Series - Page 11

AERMEC FCL Series
64 pages
Print Icon
To Next Page IconTo Next Page
To Next Page IconTo Next Page
To Previous Page IconTo Previous Page
To Previous Page IconTo Previous Page
Loading...
11
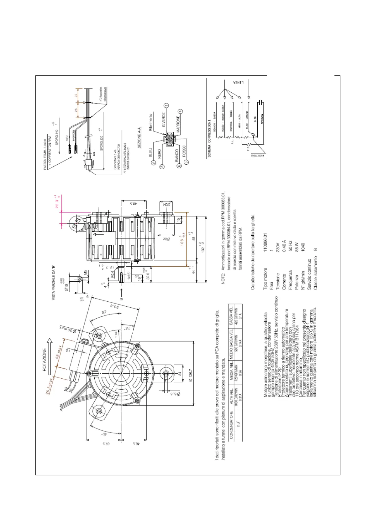
Motor for FCL 42- 44

Related product manuals