EasyManua.ls Logo

AERMEC FCL Series - Page 39

AERMEC FCL Series
64 pages
Print Icon
To Next Page IconTo Next Page
To Next Page IconTo Next Page
To Previous Page IconTo Previous Page
To Previous Page IconTo Previous Page
Loading...
39
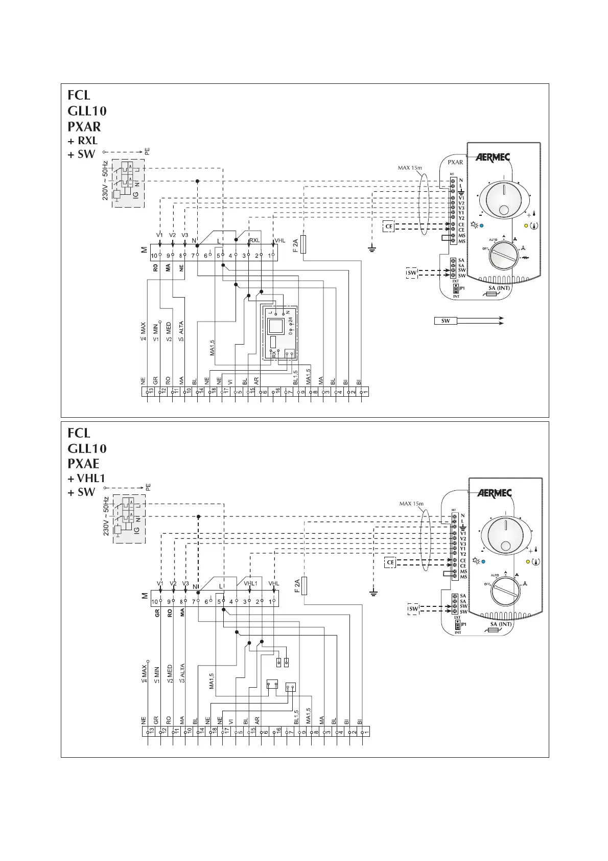
Wiring diagrams are constantly updated. It is therefore compulsory to refer to the ones supplied with the unit.
Wiring diagrams are constantly updated. It is therefore compulsory to refer to the ones supplied with the unit.

Related product manuals