EasyManua.ls Logo

AERMEC FCZ 500 - Electrical Wiring Diagrams; Wiring Diagram Legend; Main Electrical Diagram

AERMEC FCZ 500
20 pages
Print Icon
To Next Page IconTo Next Page
To Next Page IconTo Next Page
To Previous Page IconTo Previous Page
To Previous Page IconTo Previous Page
Loading...
IT EN FR DE ES
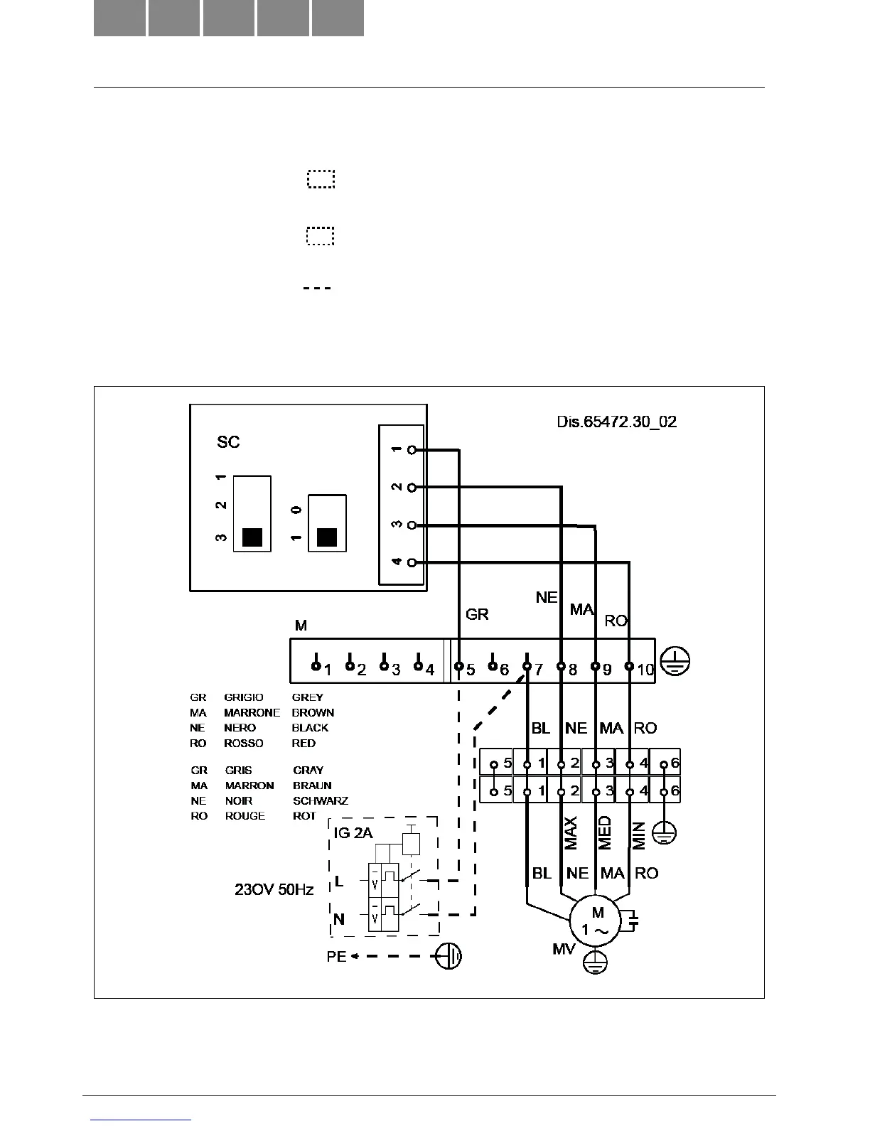
38 &ϭϲϬϲͳϰϲϵϲϱϭϬͺϬϮ
IG = Interruttore generale
Main switch
Interupteur général
Hauptschalter
Interruptor general
M = Morsettiera
Terminal board
Boitier
Klemmleiste
Placa de bornes
MV = Motore ventilatore
Fan motor
Moteur ventilateur
Ventilatormotor
Motor del ventilador
PE = Collegamento a terra
Earth connection
Mise à terre
Erdanschluss
Toma de tierra
SC = Scheda di controllo
Electronic control board
Platine de contrôle
Steuerschaltkreis
Tarjeta electrónica de control
= Componenti non forniti
Components not supplied
Composants non fournis
Nicht lieferbare Teile
Componentes no suministrados
= Componenti forniti optional
Optional components
Composants en option
Optionsteile
Componentes opcionales
= Collegamenti da eseguire in loco
On-site wiring
Raccordements à effectuer in situ
Vor Ort auszuführende Anschlüsse
Cableado in situ
AR = Arancio • Orange • Orange • Orange • Naranja
BI = Bianco • White • Blanc • Weiss • Blanco
BL = Blu • Blue • Bleu • Blau • Azul
GR = Grigio • Grey • Gris • Gray • Gris
MA = Marrone • Brown • Marron • Braun • Marrón
NE = Nero • Black • Noir • Schwarz • Negro
RO = Rosso • Red • Rouge • Rot • Rojo
VE = Verde • Green • Vert • Grün • Verde
VI = Viola • Violet • Violet • Violet • Violeta
LEGENDA • READING KEY • LEGENDE • LEGENDE • LEYENDA
SCHEMI ELETTRICI • WIRING DIAGRAMS • SCHEMAS ELECTRIQUES • SCHALTPLÄNE • ESQUEMAS
ELÉCTRICOS
Gli schemi elettrici sono soggetti ad un continuo aggiornamento, è obbligatorio quindi fare riferimento a quelli a bordo macchina.
All wiring diagrams are constantly updated. Please refer to the ones supplied with the unit.
Nos schémas électriques étant constamment mis à jour, il faut absolument se référer à ceux fournis à bord de nos appareils.
Die Schaltpläne werden ständig aktualisiert, deswegen muss man sich stets auf das mit dem Gerät gelieferte Schaltschema beziehen.
El cableado de las máquinas es sometido a actualizaciones constantes. Por favor, para cada unidad hagan referencia a los esquemas suministrados con la misma.

Related product manuals