EasyManua.ls Logo

AERMEC RePuro 170 - Page 53

AERMEC RePuro 170
56 pages
Print Icon
To Next Page IconTo Next Page
To Next Page IconTo Next Page
To Previous Page IconTo Previous Page
To Previous Page IconTo Previous Page
Loading...
53
IREPPY - 1404 - 4238051_01
TX/RX
GND
TTL
JP1
CE
GND
CF
A
B
GND
RS485
RS485
TTL
NE
BL
BL
BI
11
4
66
55
22
33
4
4397510_04
230V 50Hz
SP
MS'
C
NC
NO
MS
C
NC
NO
MV
IMMISSIONE ARIA
MV ESPULSIONE ARIA
1411
12
A1
A2
R
1 2 3 4
DISPLAY
13
6
2
1
17
11
10
14
7
12
15
3
4
16
18
9
5
3
13
18
9
6
5
2
1
17
11
10
14
7
12
15
4
16
8
RXPRE
NE
NE
AR
AR
BI
BL
GR
MA
NE
RO
VI
ROS
VE
ARANCIO
BIANCO
BLU
GRIGIO
MARRONE
NERO
ROSSO
VIOLA
ROSA
VERDE
ORANGE
WHITE
BLUE
GREY
BROWN
BLAK
RED
VIOLET
PINK
GREEN
AR
BI
BL
GR
MA
NE
RO
VI
ROS
VE
ORANGE
WEISS
BLAU
GRAY
BRAUN
SCHWARZ
ROT
VIOLETT
ROSA
GRÜN
AR
BI
BL
GR
MA
NE
RO
VI
ROS
VE
ANARANCJADO
BLANCO
AZUL
GRIS
MARRÓN
NEGRO
ROJO
VIOLETA
ROSA
VERDE
AR
BI
BL
GR
MA
NE
RO
VI
ROS
VE
ORANGE
BLANC
BLEU
GRIS
MARRON
NOIR
ROUGE
VIOLET
ROSE
VERT
AR
BI
BL
GR
MA
NE
RO
VI
ROS
VE
1
M
DMF
MSP
(450
550
650)
21 6 3 10 5 4 9
V'
1
G/V NEBL
GI
BL
RO
BI
INV.
21 6 3 10 5 4 9
21 6 3 10 5 4 9
V'
1
G/V NEBL
GI
BL
RO
BI
INV.
21 6 3 10 5 4 9
7
7
8
8
7
7
8
8
VI
SW1
F 10A F 2A
MSF
SA
1
M
DMP
(450
550
650)
TSRE2
CE
GND
CF
A
B
GND
TX/RX
GND
SW
COM
SAM
L
N
Y
N
CLUSTER
1
3
5
6
7
PC
L
N
+
RL1 RL2 RL3
RL4 RL5 RL6
RL7
LNN
AUX/RE
MAY2Y1N1V3V2V1
N
TR1
M28
M14
M27
C1
M25
M26
M22
CN2
CN1
CN3
L17
M21
M19
M20
M18
M17
M16
M15
M3
F2 F3
1
2
3
4
5
6
1
2
3
4
5
6
8
GI
GI
MA 1.5 mm²
NE
BL
BI
BL
NE
NE
MA 1.5 mm²
BL 1.5 mm²
BL
NE
NE
G/V
NE 1.5 mm²
MA 1.5 mm²
BL 1.5 mm²
BL
BIBL
VI
GR GR
RO
GR
AR
ROS
AR VI
MA
ROS
MA 1.5 mm²
BL 1.5 mm²
BL 1.5 mm²
TX/RX
5V
MODE
GND-TTL
BL BL
RO
F1 3.15A
NE
GR
BL
1
1
MA
VE
GI
BI
N
LG
VSL
RXPOST
NE
MA
BL
RO
VI
ROS
GR
BI
NE
BI
RO
AR
TSRM2
C/2
1
C/12
M
A 1.5 mm²
RO 1.5 mm²
RO 1.5 mm²
SAE
KSAE
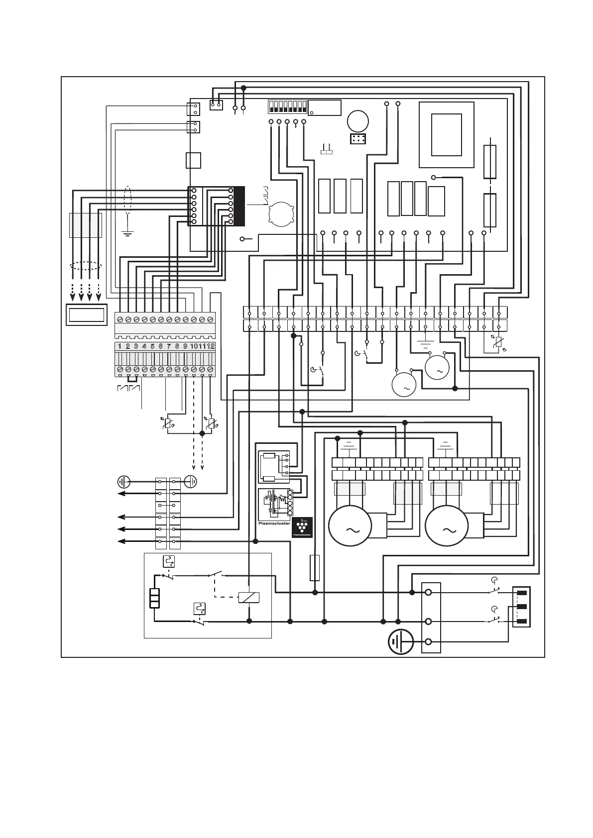
RePuro250 - RePuro350 - RePuro450 - RePuro550 - RePuro650
The electrical wiring diagrams are subject to connued updates: refer to the diagrams on the unit.

Other manuals for AERMEC RePuro 170

Related product manuals