EasyManua.ls Logo

AERMEC RePuro 170 - Electrical Schematics

AERMEC RePuro 170
56 pages
Print Icon
To Next Page IconTo Next Page
To Next Page IconTo Next Page
To Previous Page IconTo Previous Page
To Previous Page IconTo Previous Page
Loading...
52
IREPPY - 1404 - 4238051_01
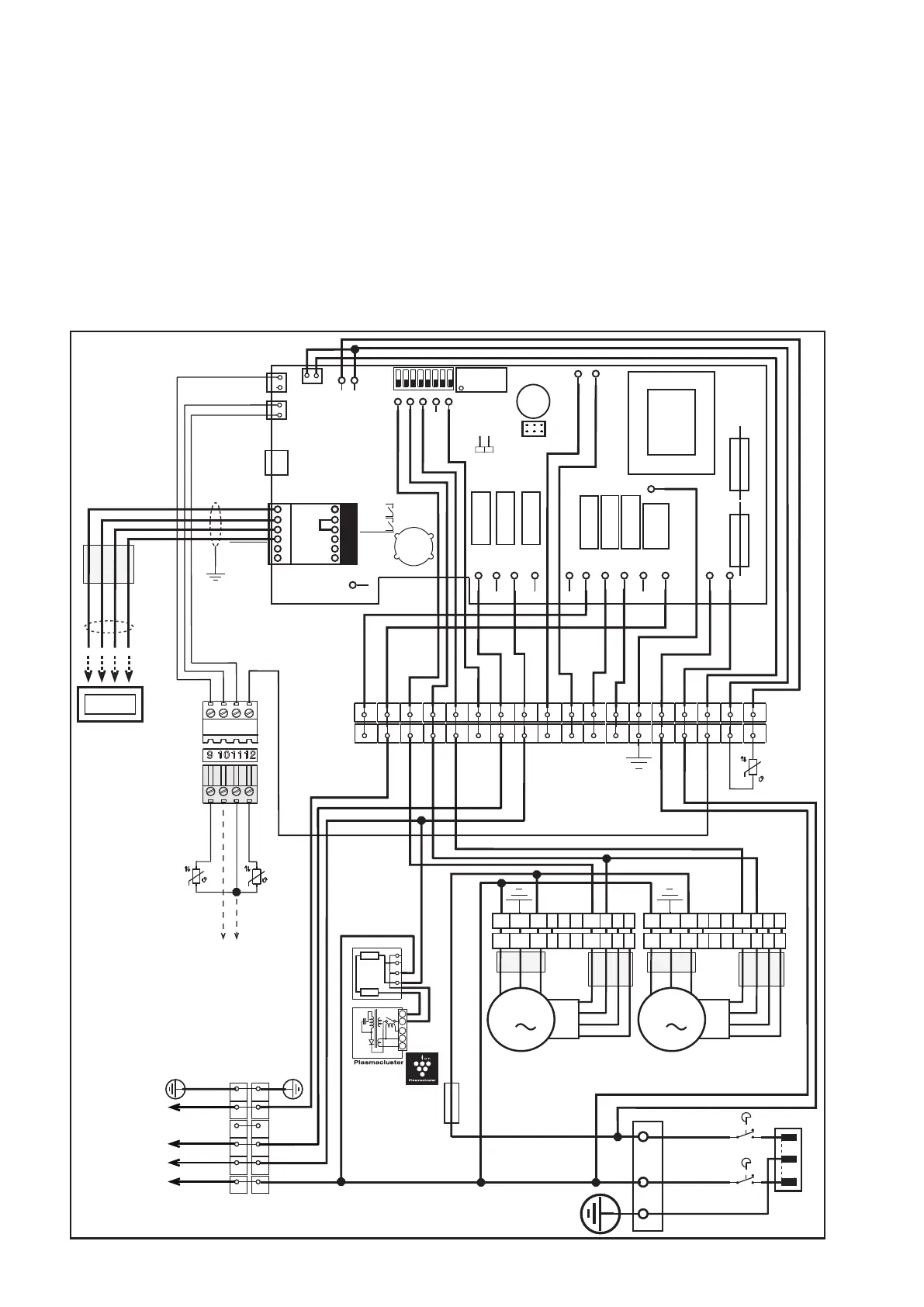
15. ELECTRICAL SCHEMATICS
TX/RX
GND
TTL
JP1
CE
GND
CF
A
B
GND
RS485
4397520_00
230V 50Hz
SP
MS'
C
NC
NO
MS
C
NC
NO
1 2 3 4
DISPLAY
13
6
2
1
17
10
11
14
7
12
15
3
4
16
18
9
5
3
13
18
9
6
5
2
1
17
10
11
14
7
12
15
4
16
8
AR
BI
BL
GR
MA
NE
RO
VI
ROS
VE
ARANCIO
BIANCO
BLU
GRIGIO
MARRONE
NERO
ROSSO
VIOLA
ROSA
VERDE
ORANGE
WHITE
BLUE
GREY
BROWN
BLAK
RED
VIOLET
PINK
GREEN
AR
BI
BL
GR
MA
NE
RO
VI
ROS
VE
ORANGE
WEISS
BLAU
GRAY
BRAUN
SCHWARZ
ROT
VIOLETT
ROSA
GRÜN
AR
BI
BL
GR
MA
NE
RO
VI
ROS
VE
ANARANCJADO
BLANCO
AZUL
GRIS
MARRÓN
NEGRO
ROJO
VIOLETA
ROSA
VERDE
AR
BI
BL
GR
MA
NE
RO
VI
ROS
VE
ORANGE
BLANC
BLEU
GRIS
MARRON
NOIR
ROUGE
VIOLET
ROSE
VERT
AR
BI
BL
GR
MA
NE
RO
VI
ROS
VE
21 6 3 10 5 4 9
V'
1
G/V NEBL
GI
BL
RO
BI
INV.
21 6 3 10 5 4 9
21 6 3 10 5 4 9
V'
1
G/V NEBL
GI
BL
RO
BI
INV.
21 6 3 10 5 4 9
7
7
8
8
7
7
8
8
SW1
11
4
66
55
22
33
4
SW
COM
SAE
SAM
NE
BL
BL
BI
L
N
Y
N
CLUSTER
1
3
5
6
7
PC
L
N
F 10A
F 2A
+
RL1 RL2 RL3
RL4 RL5 RL6
RL7
LNN
AUX/RE
MAY2Y1N1V3V2V1
N
TR1
M28
M14
M27
C1
M25
M26
M22
CN2
CN1
CN3
L17
M21
M19
M20
M18
M17
M16
M15
M3
F2 F3
1
2
3
4
5
6
1
2
3
4
5
6
8
GI
GI
MA
NE 1.5 mm²
MA 1.5 mm²
BL 1.5 mm²
BL
NE
NE
G/V
NE 1.5 mm²
MA 1.5 mm²
BL 1.5 mm²
BL
BIBL
VI
GR GR
RO
GR
AR
ROS
AR VI
MA
ROS
MA 1.5 mm²
BL 1.5 mm²
TX/RX
5V
MODE
GND-TTL
SA
BL BL
F 3.15A
1
1
MA
VE
GI
BI
BL
N
LG
VSL
RXPOST
NE
BI
RO
AR
NE
BI
GR
RO 1.5 mm²
MV
IMMISSIONE ARIA
MV ESPULSIONE ARIA
F1
KSAE
RePuro100 - RePuro170
CE = Forced fan operation input
CF = Remote ON/OFF contact (NC)
Display = Display of the wired panel
DMF = Free cooling bypass actuator
DMP = Pre-mixing bypass actuator
F = Fuse
GND = Earth
JP = Jumper
KSAE = External air temperature sensor (accessory KSAE)
M = Terminal block
MSF = Free cooling bypass micro-switch signal
MSF = Pre-mixing bypass micro-switch signa
MV = Fan motor
PC = Plasmacluster
RL = Relay
RS485 = Serial RS485 connection supervisor
RX POST = Re-heating element
RX PRE = Pre-heating element
SAE = External air temperature sensor
SAM = Supply air temperature sensor
SW = Water temperature sensor
TX/RX = Serial local TTL connection (VMF System)

Other manuals for AERMEC RePuro 170

Related product manuals