EasyManua.ls Logo

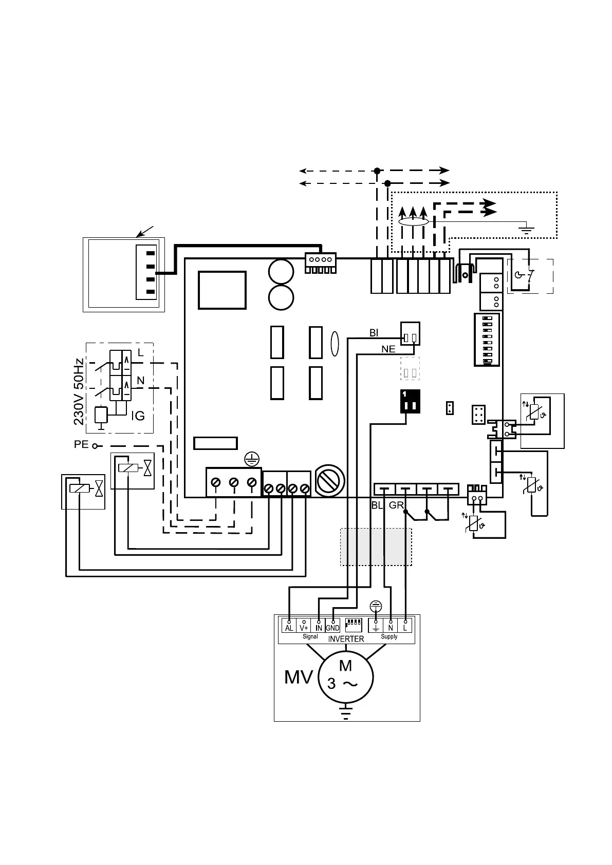
AERMEC VED 741 I - WIRING DIAGRAM (VMF-E18 + VED 030 I - VED 340 I)

AERMEC VED 741 I
77 pages
Print Icon
To Next Page IconTo Next Page
To Next Page IconTo Next Page
To Previous Page IconTo Previous Page
To Previous Page IconTo Previous Page
Loading...
10k
SA
MS
10k
Dis. 5384025_01
Only master
+
E18
CN9
JP1
CN11
PF2
C8
T1
C1
CN1
CN7-B CN7-A
CN10-B CN10-A
CN17
CN27
1-TX-RX
2- GND
SW
SA
N V3 V2 V1
L N
Y2
N
Y1
N
ON
1 2 3 4 5 6 7 8
DIP
1
1
CE
1
SP
1
CN8
+
CN18CN19
CN24
CN26
CN25
CN22CN23
CN14
SW1
2- B- 485
1- A-485
4-V+-Pan
3- GND-485
5-GND-Pan
CN16
C2
E0/1 Slave 1
÷
5
TTL
SW
SW1
SLOT EXPANSION
MODBUS
12Vdc
0Vdc
(E5)
(---------------------------------------30 m MAX-----------------------------------)
E0/1 Master
VF
VC
1
1
C37
ROS
4
3
2
1
VMF-E4
ON
1 2 3 4
DIP
VMF-E18 + VED 030 I
VED 130 I
VED 230 I
VED 330 I
VED 040 I
VED 140 I
VED 240 I
VED 340 I
Los esquemas eléctricos están sujetos a modificaciones continuas, por lo tanto es obligatorio tomar la referencia de los que se encuentran a bordo de la máquina.
All wiring diagrams are constantly updated. Please refer to the ones supplied with the unit.
Nos schémas électriques étant constamment mis à jour, il faut absolument se référer à ceux fournis à bord de nos appareils.
Die Schaltpläne werden ständig aktualisiert, deswegen muss man sich stets auf das mit dem Gerät gelieferte Schaltschema beziehen.
El cableado de las máquinas es sometido a actualizaciones constantes. Por favor, para cada unidad remitirse a los esquemas suministrados con la misma.

Related product manuals