EasyManua.ls Logo

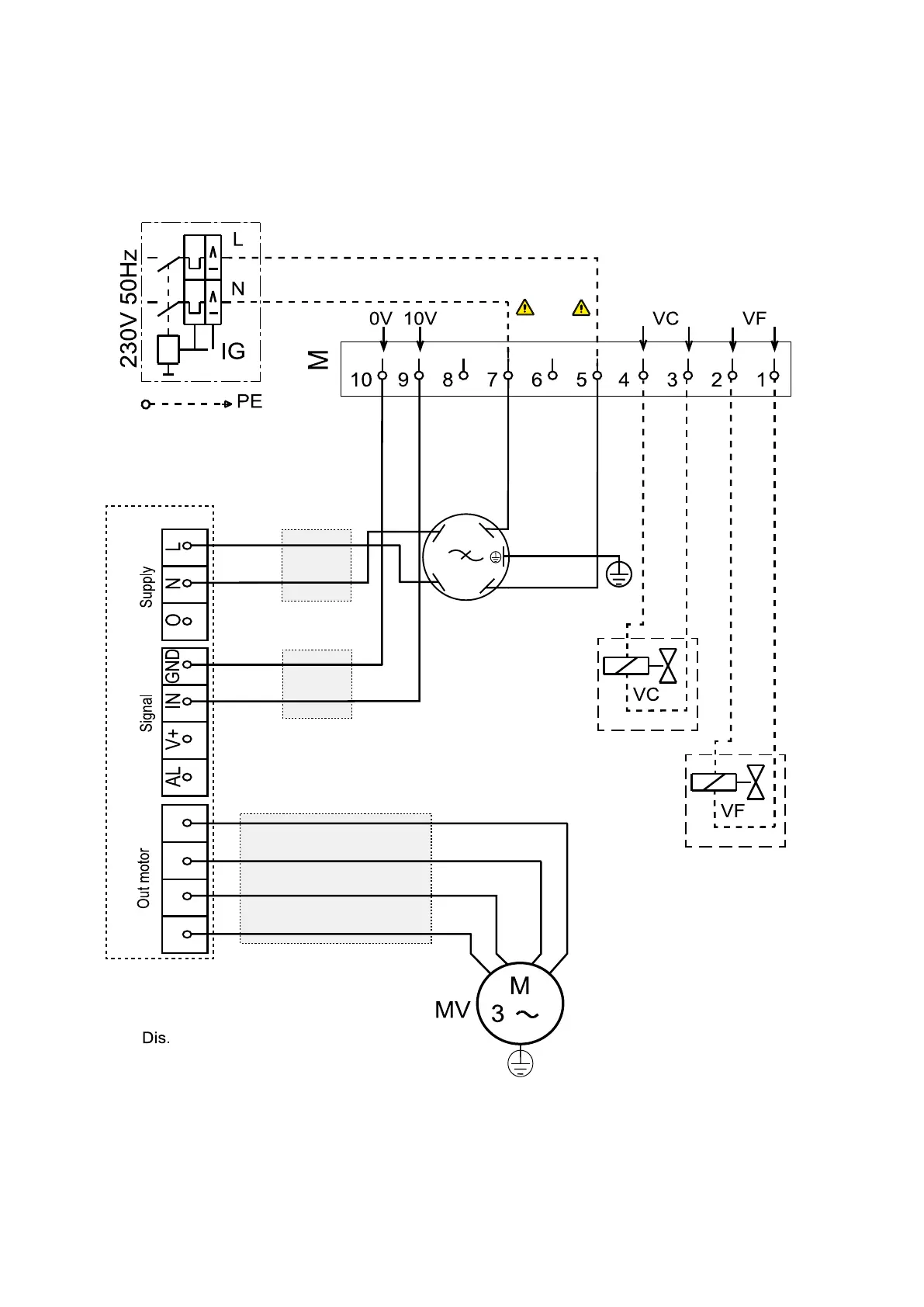
AERMEC VED 741 I - WIRING DIAGRAM (INVERTER FD 500)

AERMEC VED 741 I
77 pages
Print Icon
To Next Page IconTo Next Page
To Next Page IconTo Next Page
To Previous Page IconTo Previous Page
To Previous Page IconTo Previous Page
Loading...
Los esquemas eléctricos están sujetos a modificaciones continuas, por lo tanto es obligatorio tomar la referencia de los que se encuentran a bordo de la máquina.
All wiring diagrams are constantly updated. Please refer to the ones supplied with the unit.
Nos schémas électriques étant constamment mis à jour, il faut absolument se référer à ceux fournis à bord de nos appareils.
Die Schaltpläne werden ständig aktualisiert, deswegen muss man sich stets auf das mit dem Gerät gelieferte Schaltschema beziehen.
El cableado de las máquinas es sometido a actualizaciones constantes. Por favor, para cada unidad remitirse a los esquemas suministrados con la misma.
5096800_01
W V U CS
4-N
2-L
1-U
3-U
MA
BL
NE
GR
MA
MA
BL
BL
NE
BI
INVERTER FD 500
N
L
VED 730 I
VED 740 I
VED 732 I
VED 741 I

Related product manuals