EasyManua.ls Logo

AGROWATT AWB2-28 - Page 22

Default Icon
36 pages
Print Icon
To Next Page IconTo Next Page
To Next Page IconTo Next Page
To Previous Page IconTo Previous Page
To Previous Page IconTo Previous Page
Loading...
22
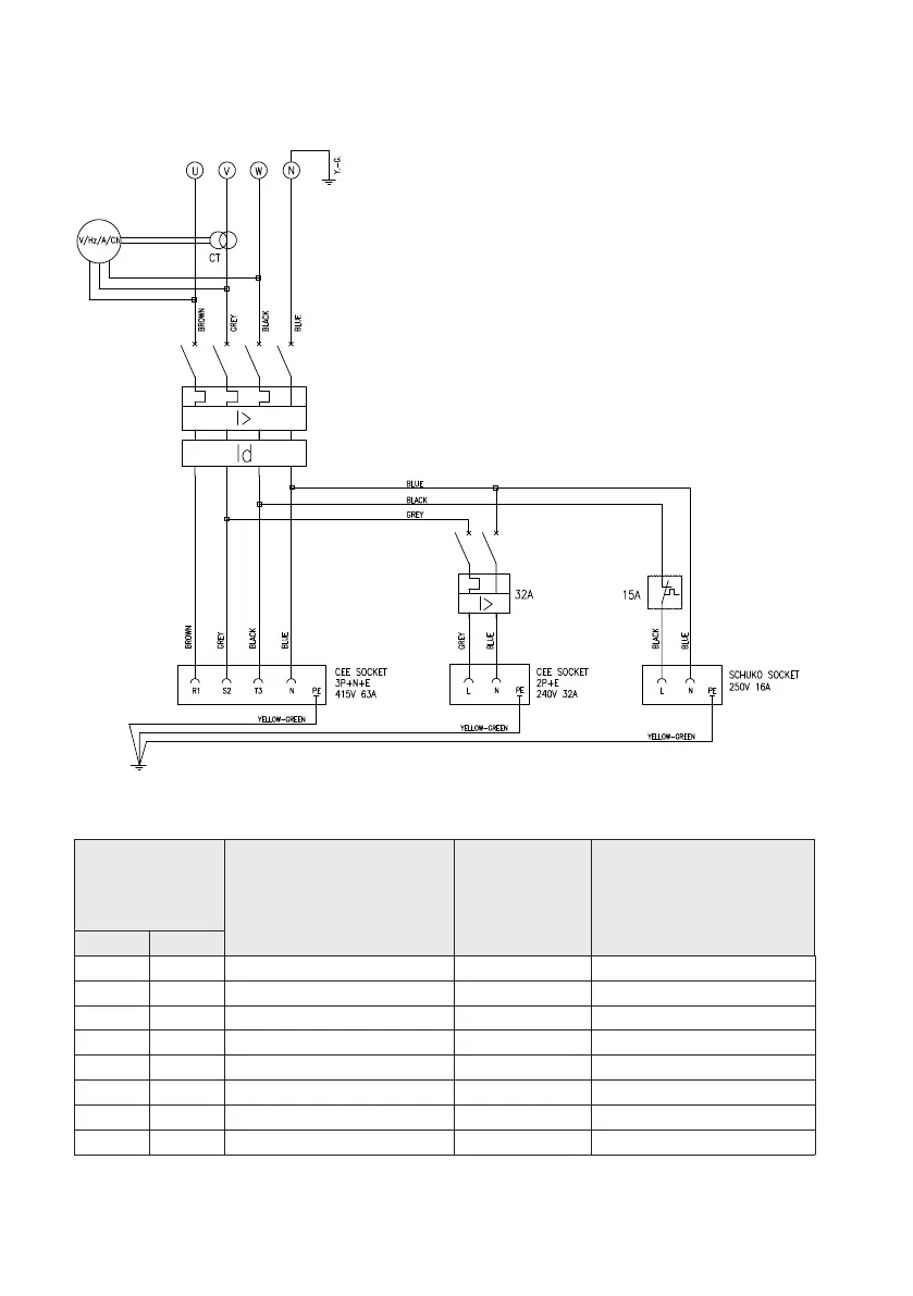
SCHEMA ELETTRICO - WIRING DIAGRAMS - SCHEMA ELECTRIQUE - SCHALTPLÄNE - ESQUEMAS
ELÉCTRICOS
AWB2-28, AWB2-33, AWB2-44, AWB4-25, AWB4-30, AWB4-36, AWB4-45
AWB4-22X, AWB4-27X, AWB4-32X, AWB4-40X, AWB4-45X
Modello
Model
Modèle
Modell
Modelo
Interruttore magnetotermico 4 poli
4 poles magnetothermal switch
Interrupteur magnetothérmique 4 poles
4 polige Magnetschutzschalter
Interruptores magnetotérmicos 4 polos
Protezione Di󰀨erenziale
Dierential protection
Protection di󰀨érentielle
Dierentialschalter
Interruptor diferencial
Interruttore magnetotermico 2 poli
2 poles magnetothermal switch
Interrupteur magnetothérmique 2 poles
2 polige Magnetschutzschalter
Interruptores magnetotérmicos 2 polos
IP23 IP44
AWB2-28 - 40A 0,03A 32A
AWB2-33 - 50A 0,03A 32A
AWB2-44 - 63A 0,03A 32A
AWB4-25 AWB4-22X 32A 0,03A 32A
AWB4-30 AWB4-27X 40A 0,03A 32A
AWB4-36 AWB4-32X 50A 0,03A 32A
AWB4-45 AWB4-40X 63A 0,03A 32A
- AWB4-45X 63A 0,03A 32A