EasyManua.ls Logo

AGROWATT AWB2-28 - Page 23

Default Icon
36 pages
Print Icon
To Next Page IconTo Next Page
To Next Page IconTo Next Page
To Previous Page IconTo Previous Page
To Previous Page IconTo Previous Page
Loading...
23
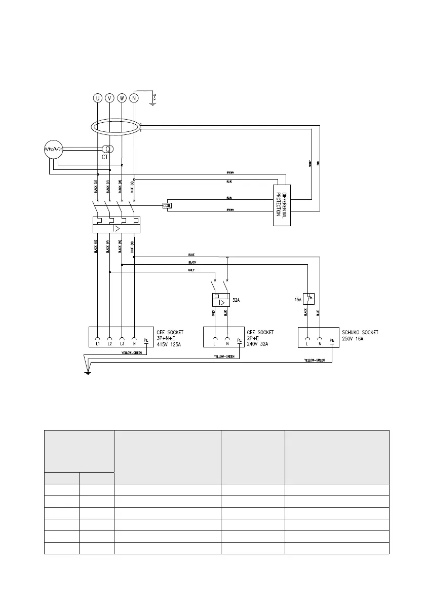
SCHEMA ELETTRICO - WIRING DIAGRAMS - SCHEMA ELECTRIQUE - SCHALTPLÄNE - ESQUEMAS
ELÉCTRICOS
AWB2-55, AWB2-66, AWB4-50, AWB4-65, AWB4-80, AWB4-93,
AWB4-58X, AWB4-72X, AWB4-84X
Modello
Model
Modèle
Modell
Modelo
Interruttore magnetotermico 4 poli
4 poles magnetothermal switch
Interrupteur magnetothérmique 4 poles
4 polige Magnetschutzschalter
Interruptores magnetotérmicos 4 polos
Protezione Di󰀨erenziale
Dierential protection
Protection di󰀨érentielle
Dierentialschalter
Interruptor diferencial
Interruttore magnetotermico 2 poli
2 poles magnetothermal switch
Interrupteur magnetothérmique 2 poles
2 polige Magnetschutzschalter
Interruptores magnetotérmicos 2 polos
IP23 IP44
AWB2-55 - 80A 0,03A - 30A 32A
AWB2-66 - 100A 0,03A - 30A 32A
AWB4-50 - 80A 0,03A - 30A 32A
AWB4-65 AWB4-58X 80A 0,03A - 30A 32A
AWB4-80 AWB4-72X 100A 0,03A - 30A 32A
AWB4-93 AWB4-84X 125A 0,03A - 30A 32A