EasyManua.ls Logo

Aiphone 83873900 0602 E - Page 23

Aiphone 83873900 0602 E
32 pages
Print Icon
To Next Page IconTo Next Page
To Next Page IconTo Next Page
To Previous Page IconTo Previous Page
To Previous Page IconTo Previous Page
Loading...
– 23 –
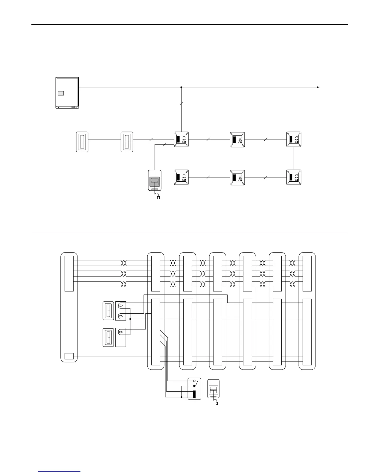
WIRING DIAGRAMS
Multi-Station Patient Room Applications
2. Max. 12 bed application covered by six NH-2SA/A sub stations
with or without a common bathroom pullcord
(*1) Terminal Z1 for lighting Lamp 1 in NHR-3A-4.
(*2) NHR-7A may be wired to any sub station convenient.
Terminal RL is wired only on the sub station which
NHR-7A is connected to.
(*3) Remove the red cap on a lamp inside.
Notes:
1. In the above example, NHR-4A 2 is required only
when NHR-7A, bathroom pullcord is installed in
single and common bathroom.
2. Bedside sub stations Models: NH-1SA and NH-2SA
CANNOT be used in multiple bed patient rooms.
NH-1SA/A
NH-2SA/A
#1
#2
#3
3P×2
3P(or 4P)
3 or 4
3
3P×2
#5
#4#6
3P×2 3P×2
2 white lamps
NHR-4A
(*) One red lamp
NHR-4A
NHX-80X
CCU
NHR-7A
Left row
Right row
(common
bathroom)
Subs trunk line 1
(*) Requried only when NHR-7A bathroom pullcord is used.
1
2
3
4
5
6
WL
RL
E
TC
TL
E
ZL
LC
Z1
11
12
13
14
15
16
NHR-4A 1
NHR-4A 2
Brown
Orange
Orange
Red
Red
Orange
Purple
Brown
Orange
Purple
Gray
Brown
Orange
Purple
Gray
Brown
Orange
Purple
Gray
Brown
Orange
Purple
Gray
Brown
Orange
Purple
Gray
Yellow
Green
Blue
Blue
(*1)
CN1
CN2
To Subs
block 1
Each pair: polarized
1 red lamp
(*3)
2 white
lamps
1
2
3
4
5
6
WL
RL
E
TC
TL
E
ZL
LC
1
2
3
4
5
6
WL
RL
E
TC
TL
E
ZL
LC
1
2
3
4
5
6
WL
RL
E
TC
TL
E
ZL
LC
1
2
3
4
5
6
WL
RL
E
TC
TL
E
ZL
LC
1
2
3
4
5
6
WL
RL
E
TC
TL
E
ZL
LC
#1 #2 #3 #4 #5 #6
Right row of Bedside Subs Left row of Bedside Subs
NHR-7A

Related product manuals