EasyManua.ls Logo

Aiphone JF-2HD - Page 32

Aiphone JF-2HD
44 pages
Print Icon
To Next Page IconTo Next Page
To Next Page IconTo Next Page
To Previous Page IconTo Previous Page
To Previous Page IconTo Previous Page
Loading...
- 32 -
EnglishFrançaisNederlands
JF-2MED
OP
EL-9S
OP
IER-2
1
E
L1
C1
L2
C2
L1
L2
RY-3DL JF-2MED
+
+
DC 18V
EL-9S
b1
b2
b3
D1
D2
E
EL-9S
PS18
OG(b1)
YE(b2)
GR(E)
L
BR(L)
RD(L)
PT
A1 A2
JF-DVF JF-DJF-DV
JF-DA
J
F
-
D
V
A
I
P
H
O
N
E
A
I
P
H
O
N
E
J
F
-
D
V
F
A
IP
H
O
N
E
J
F
-
D
A
DOOR 2
A1 A2
JF-DVFJF-DV
JF-DA
J
F
-
D
V
A
I
P
H
O
N
E
A
I
P
H
O
N
E
J
F
-
D
V
F
A
IP
H
O
N
E
J
F
-
D
A
DOOR 1
PS-1820
100V - 240V -
50/60 Hz
230V AC
N
L
18V DC
2 A
PS-1810DIN
18V DC 1 A
IN 230V~ 50/60Hz
NL
1A
-
+
-
+
#2 #1
#2
#1
E
KS
FS
PK
E
b2
V -
b1
V +
(BR)
(RD)
[1]
[2]
[7]
[3]
[4]
[6]
(OG)
(YE)
(GR)
(YE)
(BR)
(RD)
(OG)
(BL)
(PR)
(GY)
(WH)
SW
SW
L
L
[5]
PT
2
NP
[1]
DC 18 V
-
+
2
P
2
NP
2
NP
2
NP
PT
RY-3DL
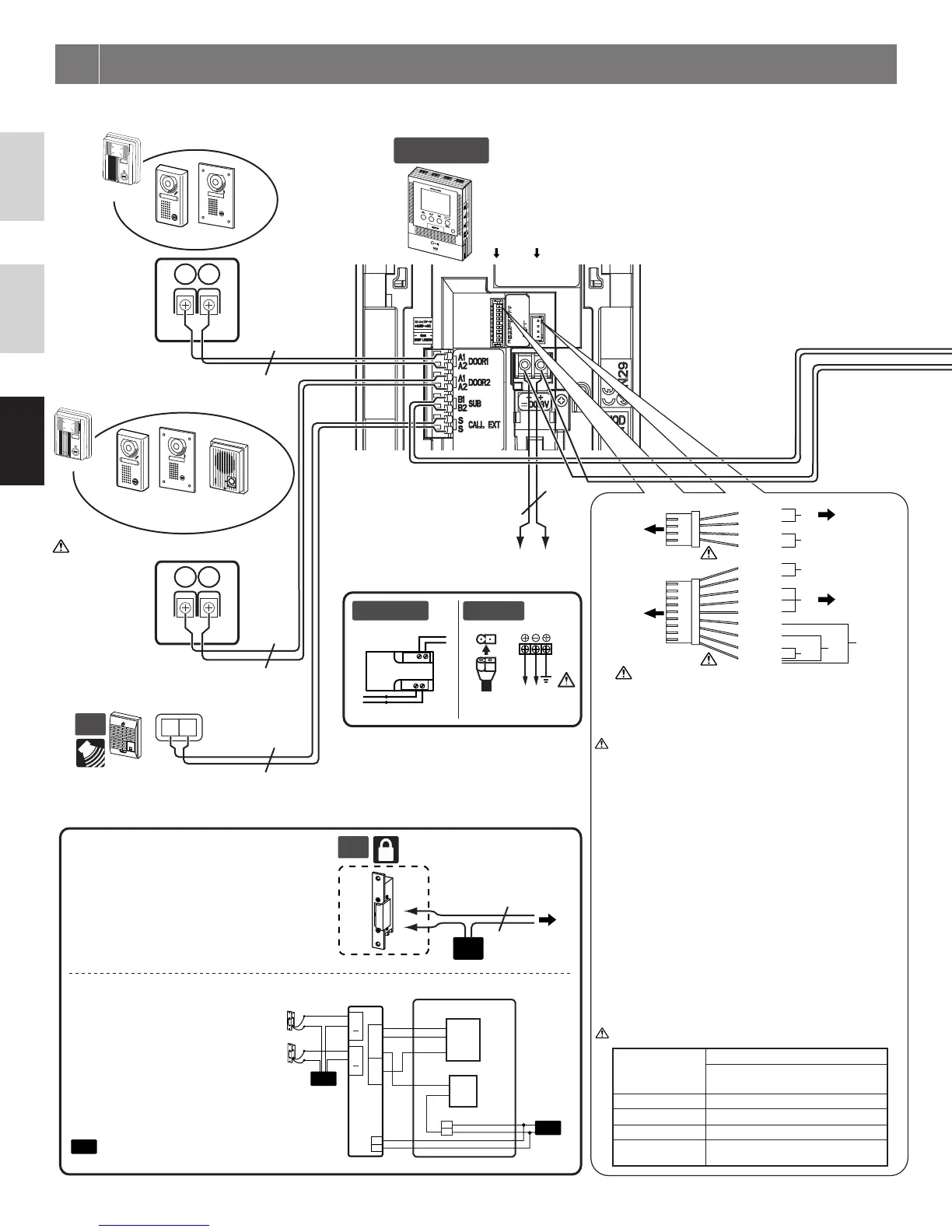
Steek de draden degelijk in de juiste aansluiting zoals afgebeeld.
Monitor-hoofdpost
Video-deurpost
Optionele extra bel IER-2
(Alleen audio)
Hiervoor is een Instelling vereist (Zie deel 7-7)
Elektrisch deurslot EL-9S (AC 12V, 0,35
A) of gelijkwaardig, vergt een
afzonderlijke wisselstroomtransformator.
Gebruik afzonderlijke kabels voor
audio/video en deurontgrendeling.
Deurontgrendelingscontact: AC/DC 24 V ,
0,5 A (normaal open, potentiaalvrij contact
L, L).
Elektrisch deurslot
Optionele selectieve
deurslotsturing RY-3DL
Gebruik de RY-3DL als u 2
verschillende deursloten en/of
poorten wenst te kunnen bedienen.
Optieconnector
Ontgrendelingsconnector
BEDRADING
3
AC-transformator
Voeding +, - (DC 18 V)
Aansluiting van externe apparaten en bedieningen via de ontgrendelingsconnector
en de optieconnector.
[1] Deurontgrendelingscontact
Hiervoor is een Instelling vereist (Zie deel 7-8)
(normaal open, potentiaalvrij contact, max. 24V AC/DC - 0,5A)
Gebruik de bruine en de rode draad van de ontgrendelingsconnector voor
aansluiting van de deurontgrendeling (of op de RY-3DL in geval van 2 deuropeners).
[2] Uitgang contact optionele bedieningsknop
(normaal open, potentiaalvrij contact, max. 24V AC/DC - 1,6 A )
[3] Uitgang videosignaal
(NTSC, 1 Vp-p/75 ohm) Bedradingsafstand: 3 m
OPMERKINGEN: Wanneer een videosignaal naar de externe apparatuur
verzonden wordt, is het mogelijk dat er een zoemend
geluid van de hoofdpost te horen valt. Raadpleeg de
Aiphone-verdeler.
[4] Uitgang sturing selectieve deurontgrendeling via RY-3DL
[5] Ingang druk-om-te-spreken-instelling
Als de blauwe en de witte draad worden verbonden, is de modus "drukken-om-
te-spreken" niet mogelijk.
[6] Ingang extern activeringscontact
Sluit een extern activeringscontact (van bv. afstandsbediening of drukknop)
aan op de paarse en de witte draad (normaal open, potentiaalvrij contact).
[7] Ingang externe detector
Hiervoor is een Instelling vereist (Zie deel 7-9)
Ontgrendelingsconnector
Optieconnector
Elektrisch deurslot
of
RY-3DL
Ingangssignaal
Normaal open, potentiaalvrij contact
Ingang externe sensor
(niet hertriggerbaar)
Minimale schakeltijd 100 mS
Lusweerstand
bij gesloten contact: minder dan 700 Ohm
Kortsluitstroom Minder dan 10 mA
Max. spanning op
aansluitklemmen
20V DC
Om kortsluitingen te voorkomen, moeten de uiteinden
van niet gebruikte draden worden afgeknipt en geïsoleerd.

Other manuals for Aiphone JF-2HD

Related product manuals