EasyManua.ls Logo

Aiwa RM-77 - Schematic Diagram

Aiwa RM-77
8 pages
Print Icon
To Next Page IconTo Next Page
To Next Page IconTo Next Page
To Previous Page IconTo Previous Page
To Previous Page IconTo Previous Page
Loading...
– 5
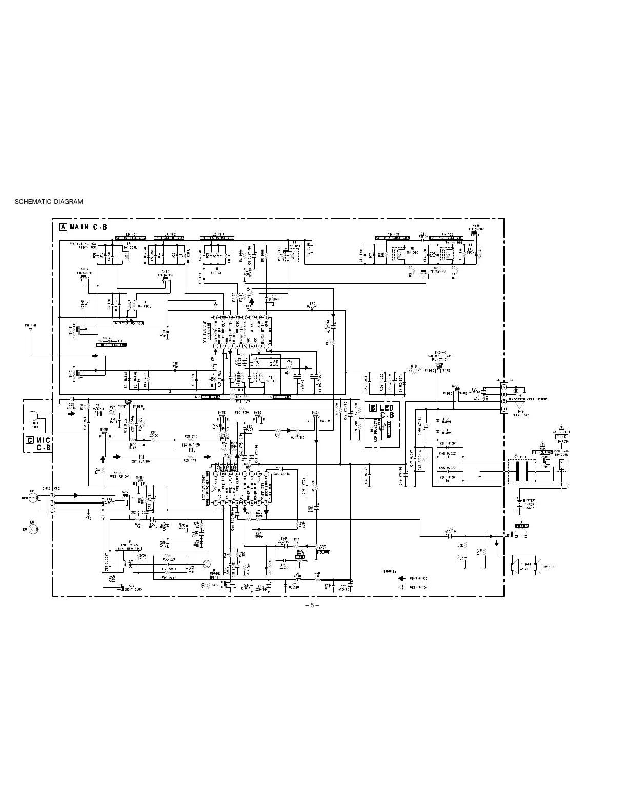
SCHEMATIC DIAGRAM
All manuals and user guides at all-guides.com

Related product manuals