EasyManua.ls Logo

AJS G2 - 1960-66 models

Default Icon
130 pages
Print Icon
To Next Page IconTo Next Page
To Next Page IconTo Next Page
To Previous Page IconTo Previous Page
To Previous Page IconTo Previous Page
Loading...
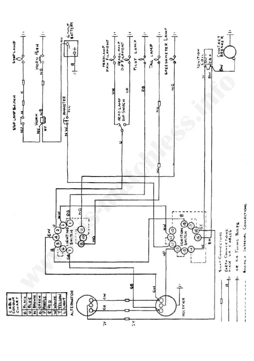
FIG 37 1960-66 models
SINGLE CYLINDER MODELS
125
www.ajs-matchless.info

Related product manuals